一、全橋逆變電路
全橋轉換器由 4 個開關構成,這 4 個開關分別連接至 2 個電源的正極與負極。從電壓角度看,全橋電路不存在峰值電壓問題,其電壓與直流電源電壓保持一致,在電氣系統中具有穩定的電壓輸出特性。
二、半橋逆變電路
半橋轉換器包含 2 個開關,這 2 個開關各自連接直流電源的正極和負極。具體工作時,當一個開關開啟,電流便從電源正極經開關流向負載;而當另一個開關開啟,電流則從負載流回電源負極,以此實現電能的傳輸與轉換功能。
三、常見逆變電路類型
在眾多逆變電路中,半橋式和全橋式較為常見。二者存在諸多差異,下面將詳細闡述其不同之處。
(一)開關管數量及輸出功率差異
與半橋相比,全橋的開關管數量翻倍。然而,在開關電流相同條件下,全橋電路的輸出功率能達到半橋的兩倍,在大功率電能轉換場景中具有顯著優勢。
(二)輸出電壓最大值差異
全橋逆變器運用四個開關管,使其輸出電壓峰值可等同于直流電源電壓;反觀半橋逆變器,僅使用兩個開關管,導致其輸出電壓峰值僅為直流電源電壓的一半,這在一定程度上限制了其在高電壓輸出應用場景的適用性。


四、工作原理差異
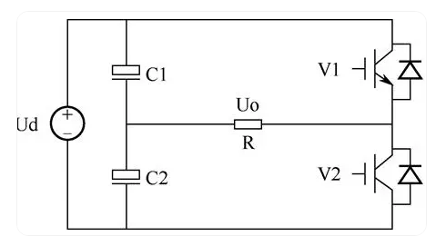
(一)半橋逆變電路工作原理
半橋電路由兩個串聯的功率開關以及兩個串聯的電容構成。當 V1 導通、V2 關斷時,電容 C1 的能量釋放至負載 R,此時輸出電壓 Uo 為正,與此同時電容 C2 進行充電;而后 V1 關斷、V2 導通,電容 C2 的能量釋放至負載 R,輸出電壓 Uo 變為負,電容 C1 則開始充電。通過開關管 V1、V2 的交替導通,負載得以獲取交流電能。此外,兩個電容串聯可適應變壓器負載,但需注意,在工作頻率處于 50Hz - 60Hz 時,電容容量需求較大,這將引起電路體積增大以及成本上升等問題。


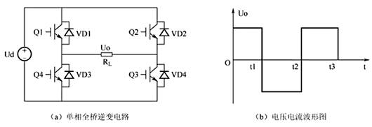
(二)全橋逆變電路工作原理
全橋電路又稱為 H 橋電路,由四個功率開關管組成。其中 Q1 和 Q4 的通斷呈互補狀態,Q2 和 Q3 的通斷亦呈互補狀態。

當 Q1、Q3 閉合,而 Q2、Q4 斷開時,負載電壓 Uo 呈正;反之,當 Q1、Q3 斷開,Q2、Q4 閉合時,負載電壓 Uo 呈負。借助 Q1、Q3 和 Q2、Q4 的交替導通,負載可獲得交流電能。特別地,當負載性質非純電阻時,負載電壓與負載電流會出現相位不同步的情況,此時開關管的寄生二極管便發揮電流續流的關鍵作用,保障電路的正常運行。

當 Q1、Q3 閉合,而 Q2、Q4 斷開時,負載電壓 Uo 呈正;反之,當 Q1、Q3 斷開,Q2、Q4 閉合時,負載電壓 Uo 呈負。借助 Q1、Q3 和 Q2、Q4 的交替導通,負載可獲得交流電能。特別地,當負載性質非純電阻時,負載電壓與負載電流會出現相位不同步的情況,此時開關管的寄生二極管便發揮電流續流的關鍵作用,保障電路的正常運行。
五、優缺點對比
(一)全橋逆變器
優點 :結構相對簡單,便于設計與制造過程的實施,同時具有較高的電壓利用率,能輸出更高功率的電能,在大功率應用場景中更具競爭力。
缺點 :由于全橋逆變器的輸入電流特性特殊,導致變壓器設計復雜度增加,原邊線圈匝數較多,這在一定程度上提高了制造難度與成本。
(二)半橋逆變器
優點 :使用的器件數量較少,整體結構簡單,對電路的對稱性要求較為寬松,具備一定抗不平衡能力,使得其成本相對較低,在小功率、對成本敏感的應用場景中優勢明顯。
缺點 :輸出功率相對較低,且其變壓器設計同樣較為復雜,原邊線徑較粗,限制了其在大功率場合的應用拓展。
〈烜芯微/XXW〉專業制造二極管,三極管,MOS管,橋堆等,20年,工廠直銷省20%,上萬家電路電器生產企業選用,專業的工程師幫您穩定好每一批產品,如果您有遇到什么需要幫助解決的,可以直接聯系下方的聯系號碼或加QQ/微信,由我們的銷售經理給您精準的報價以及產品介紹 
〈烜芯微/XXW〉專業制造二極管,三極管,MOS管,橋堆等,20年,工廠直銷省20%,上萬家電路電器生產企業選用,專業的工程師幫您穩定好每一批產品,如果您有遇到什么需要幫助解決的,可以直接聯系下方的聯系號碼或加QQ/微信,由我們的銷售經理給您精準的報價以及產品介紹
聯系號碼:18923864027(同微信)
 
QQ:709211280
 
                                
