把直流電變為交流電稱為逆變,逆變電路的應用非常廣泛。當需要蓄電池、干電池、太陽能電池等直流電源向交流負載供電時,就需要逆變電路。除此之外,應用非常廣泛的交流電機調速用變頻器、不間斷電源、感應加熱電源等電力電子裝置的核心電路就是逆變電路。
全橋逆變電路一


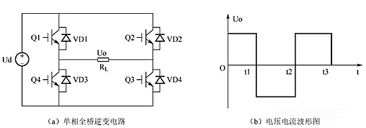
圖(a)單相全橋逆變電路原理:單相全橋逆變電路也稱為‘H橋’電路,由四個功率開關管及其驅動輔助電路構成,工作時Q1與Q4通斷互補、Q2與Q3通斷互補。當Q1、Q3閉合,Q2、Q4斷開時,負載電壓Uo為正;當Q1、Q3斷開,Q2、Q4閉合時,負載電壓Uo為負,Uo波形如圖(b)所示。Q1、Q3和Q2、Q4交替導通,使得負載上獲得交流電能。當負載不是純電阻時,負載電壓和負載電流不是同相位,這時開關管的寄生二極管D1-D4則起著電流續流的作用。
全橋逆變電路二


1.t1-t2時刻
①給V1和V4開通信號,給V2和V3關斷信號
②負載兩端電壓為正Ud,流經負載的電流為正。
③VD1、VD2、VD3、VD4反偏截止。電容C-V1-R-L-V4-C組成回路,C對L儲能


2.t2-t3時刻
①給V1和V4關斷信號,給V2和V3開通信號。
②負載兩端電壓為負Ud,流經負載的電流為正
③V2和V3雖然給的開通信號,但是電流為負,所以V2和V3反偏截止
④由C-VD2-R-L-VD3-C組成續流回路,L對C充電


3.t3-t4時刻
①給V1和V4關斷信號,給V2和V3開通信號
②負載兩端電壓為負Ud,流經負載的電流為負
③V2和V3正偏開通,VD1、VD2、VD3、VD4反偏截止。
④由C-V2-R-L-V3-C組成回路,電容C對L儲能


4.t4-t5時刻
①給V1和V4開通信號,給V2和V3關斷信號
②負載兩端電壓為正Ud,流經負載的電流為負
③V1和V4雖然給開通信號,但是V1和V4反偏截止
④C-VD4-L-R-VD1組成續流回路,L對C充電。
 
〈烜芯微/XXW〉專業制造二極管,三極管,MOS管,橋堆等,20年,工廠直銷省20%,上萬家電路電器生產企業選用,專業的工程師幫您穩定好每一批產品,如果您有遇到什么需要幫助解決的,可以直接聯系下方的聯系號碼或加QQ/微信,由我們的銷售經理給您精準的報價以及產品介紹
聯系號碼:18923864027(同微信)
QQ:709211280
 
                                
