全橋在電路當中的展現形式是將連接好的整流電路中四個二極管封裝在一起,所以在使用全橋時要考慮到整流電路以及工作電壓等因素,需要進行全方位的分析才能使電路順利的運行。本文以IR2110為基礎,介紹常用的全橋逆變電源。
首先,我們先來看一下逆變變壓器鐵芯。雙端工作的方波逆變變壓器鐵芯面積乘積公式為:
AeAc=Po(1+η)/(ηDKjfKeKcBm)
式中:Ae(m2)為鐵心橫截面積;Ac(m2)為鐵心的窗口面積;Po為變壓器的輸出功率;η為轉換效率;δ為占空比;K是波形系數;j(A/m2)為導線的平均電流密度;f為逆變頻率;Ke為鐵心截面的有效系數;Kc為鐵心的窗口利用系數;Bm為最大磁通量。
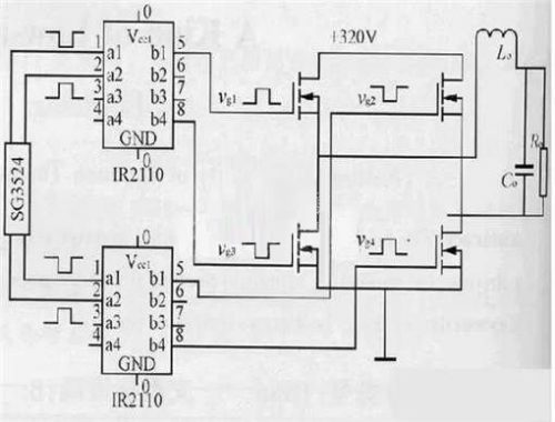
如圖1所示,DC-AC變換采用單相輸出,全橋逆變形式,為減小逆變電源的體積,降低成本,輸出使用工頻LC濾波。由4個IRF740構成橋式逆變電路,IRF740最高耐壓400V,電流10A,功耗125W,利用半橋驅動器IR2110提供驅動信號,其輸入波形由SG3524提供,同理可調節該SG3524的輸出驅動波形的D<50%,保證逆變的驅動方波有共同的死區時間。


圖1 DC-AC逆變電路結構
IR2110是IR公司生產的大功率MOSFET和IGBT專用驅動集成電路,可以實現對MOSFET和IGBT的最優驅動,同時還具有快速完整的保護功能,因而它可以提高控制系統的可靠性,減少電路的復雜程度。
烜芯微專業制造二極管,三極管,MOS管,橋堆等20年,工廠直銷省20%,4000家電路電器生產企業選用,專業的工程師幫您穩定好每一批產品,如果您有遇到什么需要幫助解決的,可以點擊右邊的工程師,或者點擊銷售經理給您精準的報價以及產品介紹
			烜芯微專業制造二極管,三極管,MOS管,橋堆等20年,工廠直銷省20%,4000家電路電器生產企業選用,專業的工程師幫您穩定好每一批產品,如果您有遇到什么需要幫助解決的,可以點擊右邊的工程師,或者點擊銷售經理給您精準的報價以及產品介紹
 
                                
