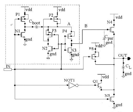
一、驅動電路架構


本MOS管驅動電機電路采用Totem輸出結構,其中上拉驅動管組合包含NMOS管N4、晶體管Q1以及PMOS管P5,下拉驅動管則由NMOS管N5擔綱。電路中,CL表征負載電容,Cpar則為B點所關聯的寄生電容。值得注意的是,虛線框標記的區域為自舉升壓電路模塊。
二、電路設計邏輯
高電平驅動原理:借助自舉升壓結構巧妙抬升上拉驅動管N4的柵極(B點)電位,使其超越VDD+VTH,迫使NMOS管N4進入線性工作區域,進而顯著削減VDSN4。最終,驅動輸出高電平順利達到VDD標準。
低電平驅動優勢:在輸出低電平時,下拉驅動管憑借自身特性即可工作在線性區,無需額外自舉電路輔助,便能確保輸出低電平穩定在GND水準,精準達成設計既定目標。
三、電機正反轉控制策略
采用“雙繼電器+NMOS”驅動布局,選用SPDT(單刀雙擲)繼電器達成電機正反轉控制。




(一)電機正轉控制
當DO1處于低電平(0V)、DO2給出高電平(5V),同時PWM1端輸入約10V直流電壓(促使MOS管導通)時,繼電器K1被激活,其接點A2與A1接通;而繼電器K2保持靜止,接點B2依舊與B3連接。此時,電流從A1出發,經由A2、負載電機端、B2、B3,最終經MOS管的D-S通道流向GND,驅動電機正向旋轉。
(二)電機反轉控制
反之,若DO1變為高電平(5V)、DO2切換至低電平(0V),且PWM1端持續輸入約10V直流電壓(保障MOS管導通),繼電器K1不動作,接點A2與A3維持連接;繼電器K2則被觸發,接點B2與B1接通。電流流向隨即調整為從B1開始,經B2、負載電機端、A2、A3,再通過MOS管的D-S通道匯入GND,實現電機反向運轉。
(三)電機停轉控制
當DO1、DO2同時保持低電平(0V),且PWM1端輸入低電平0V(致使MOS管關斷),電機隨即停止轉動。此時,電機借助B2-B3-A3-A2回路釋放停轉瞬間感應電流,以防感性負載引發異常。
(四)電機調速控制
若PWM1端輸入信號由固定直流電壓轉變為幅值10V、占空比在0-100%范圍可調的PWM脈沖,便可實現對電機轉速的精準調節控制。
四、電路保護與器件選型要點
二極管保護功能:電路中D1、D2二極管在繼電器線圈斷電瞬間,為感應電流提供泄放回路,避免線圈電壓突變對電路造成沖擊。
MOS管開通速度調節:MOS管G極串聯10R電阻,用于調控MOS管的開通速率,電阻值增大,開通速度相應減緩;反之,電阻值減小,開通速度提升。同時,MOS管GS端的10K電阻確保G極未受驅動信號控制時,MOS管可靠截止,杜絕誤觸發風險。
(一)繼電器選型準則
繼電器選型需依據電機額定功率/容量來定。其接點電壓應不低于電機額定電壓的1.2倍,接點電流需不小于電機額定電流的3倍,以充分保障繼電器在電機運行過程中的可靠切換。
(二)MOS管選型要點
MOS管的VDS選型需至少達到電機額定電壓的2倍,ID則至少要能承受電機額定電流的4-5倍。鑒于電機啟動瞬間電流可達額定電流的3倍左右,在滿足上述條件下,優先選擇RDS較小的MOS管,這有助于降低管子發熱量,但需權衡發熱量與成本,做出綜合決策。
〈烜芯微/XXW〉專業制造二極管,三極管,MOS管,橋堆等,20年,工廠直銷省20%,上萬家電路電器生產企業選用,專業的工程師幫您穩定好每一批產品,如果您有遇到什么需要幫助解決的,可以直接聯系下方的聯系號碼或加QQ/微信,由我們的銷售經理給您精準的報價以及產品介紹
〈烜芯微/XXW〉專業制造二極管,三極管,MOS管,橋堆等,20年,工廠直銷省20%,上萬家電路電器生產企業選用,專業的工程師幫您穩定好每一批產品,如果您有遇到什么需要幫助解決的,可以直接聯系下方的聯系號碼或加QQ/微信,由我們的銷售經理給您精準的報價以及產品介紹
聯系號碼:18923864027(同微信)
 
QQ:709211280
 
                                
