一、無線充電核心原理
無線充電技術,亦被稱作感應充電或無線能量傳輸,其核心在于電磁感應現象——即電與磁在特定條件下相互轉化的物理現象。在無線充電場景下,充電底座內的發射線圈通以交變電流,依據電磁感應定律,此線圈周圍會產生交變磁場。當電子設備靠近時,設備內置的接收線圈切割磁感線,進而在閉合電路中產生感應電動勢,形成感應電流。經由整流濾波等一系列電路處理后,此交變電流被轉換為直流電,為電子設備電池充電,實現能量的高效、便捷傳輸。




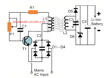
二、無線充電系統構成
無線充電系統主要由發射端與接收端兩部分構成,二者協同作用完成能量的無線傳輸。


(一)發射端
發射端核心組件為發射線圈,通常采用鐵氧體 E 芯作為磁芯材料。線圈纏繞若干匝數的漆包銅線,匝數、線徑及磁芯尺寸等參數依據具體應用場景與功率需求而定。發射線圈連接至振蕩電路,該振蕩電路由晶體管、預設可調電阻、電容等元件構成。通過調整預設電阻等元件參數,可改變振蕩頻率,使其達到最佳能量傳輸頻段。振蕩電路所需的直流電壓經對市電交流電整流、濾波后獲得,為電路提供穩定的能量供給。
(二)接收端
接收端關鍵部件為接收線圈,其材質與結構類似發射線圈,但匝數、線徑等參數可能有所差異。接收線圈將感應到的交變磁場轉換為交變電流,隨后經由整流橋、濾波電容等組成的整流濾波電路,將交變電流轉換為平滑的直流電,滿足電子設備電池充電的電壓、電流要求。
三、無線充電電路工作過程
以典型無線充電電路為例,當直流電壓施加于發射端振蕩電路時,電路開始振蕩,發射線圈產生高頻交變磁場。接收端接收線圈感應磁場,產生交變電流。經整流濾波電路處理后,轉換為直流電,為電池充電。輸出端可并聯 LED 指示燈,通過 LED 亮度直觀反映無線充電時能量傳輸強度。調整接收端可變電容等元件參數,可實現接收電路與發射磁場的諧振匹配,提升能量傳輸效率與充電速度。
〈烜芯微/XXW〉專業制造二極管,三極管,MOS管,橋堆等,20年,工廠直銷省20%,上萬家電路電器生產企業選用,專業的工程師幫您穩定好每一批產品,如果您有遇到什么需要幫助解決的,可以直接聯系下方的聯系號碼或加QQ/微信,由我們的銷售經理給您精準的報價以及產品介紹
〈烜芯微/XXW〉專業制造二極管,三極管,MOS管,橋堆等,20年,工廠直銷省20%,上萬家電路電器生產企業選用,專業的工程師幫您穩定好每一批產品,如果您有遇到什么需要幫助解決的,可以直接聯系下方的聯系號碼或加QQ/微信,由我們的銷售經理給您精準的報價以及產品介紹
聯系號碼:18923864027(同微信)
QQ:709211280

