可調穩壓電路,原理圖與工作原理,電路設計介紹
以下是幾種可調穩壓電路的設計方案與詳細解析。
以下是幾種可調穩壓電路的設計方案與詳細解析。
一、0 - 15V 可調穩壓電路
一款具備從 0V 到 15V 連續可調直流電壓的穩壓電源,其最大輸出電流可達 5A。


該電路設計簡潔,主要用于實現電壓調節,未配備電流調節功能。其工作原理如下:輸出電壓經電阻進行分壓處理,通過可調電阻將分壓后的電壓輸送至 TL431。當分壓后的電壓值高于 2.5V 時,TL431 內部導通,促使 Q1 基極電壓降低,從而使輸出電壓相應減小。當電阻分壓值穩定在 2.5V 時,輸出電壓達到穩定狀態。
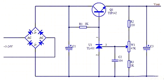
二、大電流可調穩壓電源電路(3.5V - 25V)
這款大電流可調穩壓電源能夠實現 3.5V - 25V 的電壓調節范圍,且輸出電流較大。電路采用可調電壓穩壓管設計,以確保輸出電壓的穩定性。


其工作原理為:經過整流濾波后的直流電壓,經 R1 提供給調節管的基極,使調節管開啟。當 V1 導通后,電壓通過 RP 和 R2 使 V2 導通,進而 V3 也導通。此時,V1、V2 和 V3 的發射極與集電極電壓保持恒定,其功能與穩壓器一致。通過調節 RP 的阻值,可實現輸出電壓的穩定調節。R1、RP、R2 和 R3 的阻值比對電路的輸出電壓起著決定性作用。
三、0 - ±15V 線性可調穩壓電源電路
該電源電路可實現 0 - ±15V 的線性可調輸出。正電源部分運用 LM317 三端可調集成穩壓器,負電源部分則采用 LM337 三端可調集成穩壓器。電路具備完善的限流、短路保護以及熱保護等功能。其突出優勢在于僅需一個電位器便能實現正負電壓的同步調節,具有電路結構簡單、操作便捷、性能卓越且成本低廉等優點。


工作原理如下:電源輸入部分通過公共變壓器進行降壓,再經橋式整流器整流,并接入電容濾波器,最終獲取上下對稱的 ±22V 直流電壓。同時,衍生出兩組 ±6.8V 的輔助電壓,分別連接至運算放大器 IC4 和 IC3 的 V+ 和 V - 端,確保 IC3 和 IC4 的工作電壓處于安全范圍之內。
正輸出電路由穩壓器 IC1 及相關元件構成。通常情況下,電位器一端連接至穩壓器 IC1 的調節端子,另一端接地。若將 RP1 電阻值調至 0,輸出電壓 Vout 為 1.2V,在電阻 R10 上形成 3mA 的恒定電流。改變 RP1 的電阻值,即可相應改變輸出電壓。
在此基礎上,將 RP1 的接地端子連接至運算放大器 IC3 的輸出端。IC3 輸出電壓為 - 1.2V,用于抵消 IC1 的基準電壓 + 1.2V,從而實現從 0V 起始的調制。通過將運算放大器 IC3 連接為差分放大器并完成減法運算即可達成此目的。圖中顯示,同相輸入電壓為 V1,反相輸入電壓為 V2。由于 R4 = R5 = R6 = R7,IC3 的輸出電壓 VO = R5/R4 ×(V1 - V2)= - 1.2V。穩壓器 IC1 的輸出電壓 + Vout 則由 5mA 的輸出電流流經 R3 以及 10mA 流經 PR1 再減去 1.2V 后得到。
負輸出電路由穩壓器 IC2 及相關元件組成。省略了電位器 RP3,原本設置在 IC4 調節端子上的電位器 RP2 現在連接至運算放大器 IC4 的輸出端,以此控制調節端的輸出電壓,進而實現對穩壓器輸出電壓的調節。由于運算放大器 IC1 作為增益為 10 的反相放大器連接,其反相輸入端與正輸出電路穩壓器的輸出端相連,因此負輸出電壓穩定器能夠產生與正輸出電壓極性相反、幅度相等的穩定電壓。即 - Vout = - R9/R9 ×(+ Vout),因 R10 = R,故 - Vout = + Vout,實現負輸出電壓對正輸出電壓的精準跟蹤。
此外,電路中的二極管 D7 和 D8 主要用于防止外部負載電容放電過度,避免對 IC1 和 IC3 的輸出造成損壞;二極管 D9 和 D10 則是為了防止 IC3 輸出正飽和以及 IC4 輸出負飽和時,IC1 和 IC2 調節端子因反向電流流入而出現擊穿現象,因為 IC1 和 IC2 的調節端子不允許有反向電流流入。
〈烜芯微/XXW〉專業制造二極管,三極管,MOS管,橋堆等,20年,工廠直銷省20%,上萬家電路電器生產企業選用,專業的工程師幫您穩定好每一批產品,如果您有遇到什么需要幫助解決的,可以直接聯系下方的聯系號碼或加QQ/微信,由我們的銷售經理給您精準的報價以及產品介紹
〈烜芯微/XXW〉專業制造二極管,三極管,MOS管,橋堆等,20年,工廠直銷省20%,上萬家電路電器生產企業選用,專業的工程師幫您穩定好每一批產品,如果您有遇到什么需要幫助解決的,可以直接聯系下方的聯系號碼或加QQ/微信,由我們的銷售經理給您精準的報價以及產品介紹
聯系號碼:18923864027(同微信)
QQ:709211280

