大功率變壓器的深度剖析
在現代電力轉換與傳輸系統中,大功率變壓器扮演著至關重要的角色。它是一種用于交流電源變換的復雜裝置,主要由一個或多個整流器、濾波器以及大功率開關器件構成。在直流供電系統中,負責將交流電轉換為直流電的裝置被稱為整流器,而將直流電轉換為交流電的裝置則被定義為濾波器。除上述核心組成部分外,大功率變壓器的內部結構還包含保護電路、驅動控制電路以及散熱等輔助部分,這些部分協同工作,確保變壓器的穩定運行與高效性能。
變壓器的工作原理
變壓器的工作原理涉及到電磁感應現象與自激振蕩現象的相互作用。當線圈中的磁通量發生變化時,會在導體回路中產生感應電動勢,這一現象即為電磁感應。與此同時,變化的磁場與外部變化磁場相互作用所產生的電流現象被稱為自激振蕩。因此,變壓器可以被視為由這兩個相互關聯的物理量構成的一個閉合回路系統,其通過電磁感應和自激振蕩實現電能的傳輸與轉換。
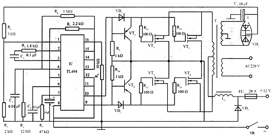
500W 大功率變壓器電路
下圖為 500W 大功率變壓器的電路原理圖。該電路采用 TL494 作為振蕩器,VT1 至 VT6 作為激勵級,共同構成了輸出功率為 500W 的大功率逆變電路。


在該逆變器中,TL494 的應用方法如下:
TL494 的 1 腳和 2 腳共同構成穩壓取樣與誤差放大電路。逆變器次級繞組整流輸出的 15V 直流電壓作為取樣電壓,經 R1 和 R3 分壓后,確保在逆變器正常工作狀態下,1 腳的取樣電壓維持在約 4.7V 至 5.6V 之間。2 腳則輸入由 14 腳提供的 5V 基準電壓。當輸出電壓出現下降時,1 腳的電壓也隨之降低,誤差放大器隨之輸出低電平信號,經 TL494 內部電路處理后,促使輸出電壓升高,從而實現穩壓控制功能。
300W 電子變壓器電路及大功率電子變壓器電路




經過大量實驗驗證,這種電子變壓器展現出了極快的電流反應速度,已顯著超越普通工頻變壓器。因此,該電路完全具備替代功放電源的能力。此外,電子變壓器的 AC/DC 部分具備過電流限制保護功能,使其特別適用于電動自行車電瓶的充電場景。如果將多個 AC/DC 模塊并聯,還可以構建出大功率的充電機,以滿足更高功率的充電需求。
 
〈烜芯微/XXW〉專業制造二極管,三極管,MOS管,橋堆等,20年,工廠直銷省20%,上萬家電路電器生產企業選用,專業的工程師幫您穩定好每一批產品,如果您有遇到什么需要幫助解決的,可以直接聯系下方的聯系號碼或加QQ/微信,由我們的銷售經理給您精準的報價以及產品介紹
聯系號碼:18923864027(同微信)
 
QQ:709211280
 
                                
