換流回路中的雜散電感會引起波形震蕩,EMI或者電壓過沖等問題。因此在電路設計的時候需要特別留意。本文給出了電路雜散電感的測量方法以及模塊數據手冊中雜散電感的定義方法。
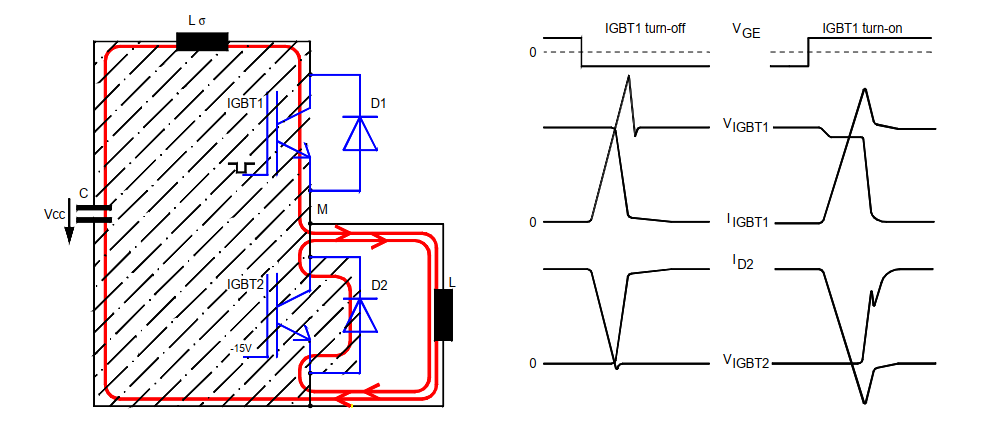
圖1為半橋電路的原理電路以及開關上管IGBT1時產生的電壓和電流波形。作為集中參數顯示的電路雜散電感Lσ,代表了整個回路(陰影區域)中的所有的分布電感(電容器、母線和IGBT模塊)。


半橋電路以及開關IGBT1時的電流和電壓波形
由于電流的變化,在雜散電感Lσ上產生了Lσ*dioff/dt的電壓降。它疊加在DC-link電壓Vcc上,被看作是關斷IGBT1時的電壓尖峰。根據RBSOA圖,該尖峰電壓必須限制在IGBT模塊的阻斷電壓VCES內(芯片上測量,在CE輔助端子上測量)。此外,考慮到模塊主端子和輔助端子之間的雜散電感,在數據手冊中給出了一條降額曲線,用于在功率端子上測量電壓時使用。


FZ1200R33KF2的RBSOA
通過IGBT導通時,集電極的電壓降可以推導出整個回路的雜散電感:當IGBT處于阻斷狀態且電流已經上升時,可以測量di/dt和電壓降ΔV,并根據公式Lσ=ΔV/di/dt計算得到電感。


回路電感測試波形
模塊內部雜散電感計算值在數據手冊中會給出。對于單管模塊,這個值就是之前提到的主功率和輔助端子之間的雜散電感;對于半橋模塊或者是有多個橋臂的模塊,這個值表示跟應用相關的上管和下管換流回路。因為模塊結構不同,這個值肯定會比單獨測量上下管電感之和低。對于含有多個橋臂的模塊,從電源到橋臂再回到負電源的情況最壞的換流回路需要被考慮。


測量電路
根據模塊類型的定義,數據手冊上的雜散電感值應該做如下解釋:
單管模塊類型FZ
模塊雜散電感通過CE主端子之間測量


半橋模塊類型FF(帶有三個主端子)
數據手冊的雜散電感值包含從上管到下管整個回路,從上管C1到下管E2的電感值。


H橋模塊類型F4
這類模塊包含兩個獨立的橋臂。數據手冊的雜散電感值包含一個橋臂從上管到下管整個回路,從正極到負極端子。


三相全橋模塊或者PIM類型FS/FP
這類模塊數據手冊的雜散電感值是指最壞情況下從上管到下管整個回路的電感值,從P+到N-端子


設計雜散電感是變頻器產品研發環節中非常重要的一個環。除了前期的計算和仿真之外,實際測量也是非常有必要的。特別是要模擬現場多種的惡劣工況,如低溫,過壓,大電流等;防止現場功率器件超過安全工作區導致失效。
 
〈烜芯微/XXW〉專業制造二極管,三極管,MOS管,橋堆等,20年,工廠直銷省20%,上萬家電路電器生產企業選用,專業的工程師幫您穩定好每一批產品,如果您有遇到什么需要幫助解決的,可以直接聯系下方的聯系號碼或加QQ/微信,由我們的銷售經理給您精準的報價以及產品介紹
聯系號碼:18923864027(同微信)
QQ:709211280
                                
