提高晶體管開關速度的方法可以通過減少晶體管的輸入電容來提高晶體管的開關速度,這可以通過減少晶體管的輸入電容的大小來實現,從而減少晶體管的輸入電容對輸入信號的衰減,從而提高晶體管的開關速度。另外,還可以通過提高晶體管的漏極電流來提高晶體管的開關速度,這可以通過提高晶體管的漏極電流來實現,從而提高晶體管的開關速度。
今天我們來介紹提高晶體管開關速度的三種方法
1、使用加速電容
在基極限流電阻并聯小容量的電容(一般pF級別),當輸入信號上升、下降時候能夠使限流電阻瞬間被旁路并提供基極電流,所以在晶體管由導通狀態變化到截止狀態時能夠迅速從基極抽取電子(因為電子被旁路),消除開關時間的滯后,這個電容的作用的提高開關速度。
2、使用肖特基箝位
利用肖特基箝位也是提高晶體管開關速度的另外一種方法,我們熟悉的74LS、74ALS、74AS等典型的數字IC TTL的內部電路中也是采用這種技術。
3、選擇合適的晶體三極管參數
選用晶體三極管反射結電容CBE較小的管子可以加快發射結電容的充電過程,發射結的正向偏置電壓快速建立,進而可以縮短延遲時間td;選用放大倍數大的管子可以縮短基區載流子積累需要的時間,進而縮短管壓降下降時間tr。
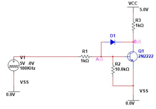
如下圖,肖特基箝位在基極-集電極之間,這種二極管開關速度快,正向壓降比PN結小,準確來說叫做肖特基勢壘二極管。


由于肖特基二極管的正向壓降比晶體管的Vbe小,因此,本來應該流過晶體管的大部分基極電流通過D1被旁路掉了,這時候流過晶體管的基極電流非常小,所以可以認為這時晶體管的導通狀態很接近截止狀態。
肖特基箝位可以看做是改變晶體管的工作點,減小電荷存儲效應的影響,提高開關速度的方法
影響晶體管開關速度的因素
影響晶體管開關速度的因素主要有:
1)晶體管的類型:不同類型的晶體管具有不同的開關速度,例如BJT晶體管的開關速度比MOSFET晶體管的開關速度要慢;
2)晶體管的電流和電壓:晶體管的電流和電壓越大,晶體管的開關速度越快;
3)晶體管的外部電路:晶體管的外部電路越復雜,晶體管的開關速度越慢;
4)晶體管的溫度:晶體管的溫度越高,晶體管的開關速度越慢;
5)晶體管的封裝類型:晶體管的封裝類型越復雜,晶體管的開關速度越慢。
 
〈烜芯微/XXW〉專業制造二極管,三極管,MOS管,橋堆等,20年,工廠直銷省20%,上萬家電路電器生產企業選用,專業的工程師幫您穩定好每一批產品,如果您有遇到什么需要幫助解決的,可以直接聯系下方的聯系號碼或加QQ/微信,由我們的銷售經理給您精準的報價以及產品介紹
聯系號碼:18923864027(同微信)
QQ:709211280
 
                                
