MOS管的工作狀態一共有兩種:增強型和耗盡型兩類又有N溝道和P溝道之分。
MOS管是金屬(metal)、氧化物(oxide)、半導體(semiconductor)場效應晶體管,或者稱是金屬—絕緣體(insulator)、半導體。MOS管的source和drain是可以對調的,他們都是在P型backgate中形成的N型區。在多數情況下,這個兩個區是一樣的,即使兩端對調也不會影響器件的性能。這樣的器件被認為是對稱的。
如何判斷mos管工作狀態-N溝道增強型MOS場效應管
1. VGS對ID及溝道的控制作用
① VGS=0 的情況
從圖1(a)可以看出,增強型MOS管的漏極D和源極S之間有兩個背靠背的PN結。當柵——源電壓VGS=0時,即使加上漏——源電壓VDS,而且不論VDS的極性如何,總有一個PN結處于反偏狀態,漏——源極間沒有導電溝道,所以這時漏極電流ID≈0。
② VGS>0 的情況
若VGS>0,則柵極和襯底之間的SiO2絕緣層中便產生一個電場。電場方向垂直于半導體表面的由柵極指向襯底的電場。這個電場能排斥空穴而吸引電子。
排斥空穴:使柵極附近的P型襯底中的空穴被排斥,剩下不能移動的受主離子(負離子),形成耗盡層。吸引電子:將 P型襯底中的電子(少子)被吸引到襯底表面。
2. 導電溝道的形成:
當VGS數值較小,吸引電子的能力不強時,漏——源極之間仍無導電溝道出現,如圖1(b)所示。VGS增加時,吸引到P襯底表面層的電子就增多,當VGS達到某一數值時,這些電子在柵極附近的P襯底表面便形成一個N型薄層,且與兩個N+區相連通,在漏——源極間形成N型導電溝道,其導電類型與P襯底相反,故又稱為反型層,如圖1(c)所示。VGS越大,作用于半導體表面的電場就越強,吸引到P襯底表面的電子就越多,導電溝道越厚,溝道電阻越小。
開始形成溝道時的柵——源極電壓稱為開啟電壓,用VT表示。
上面討論的N溝道MOS管在VGS<VT時,不能形成導電溝道,管子處于截止狀態。只有當VGS≥VT時,才有溝道形成。這種必須在VGS≥VT時才能形成導電溝道的MOS管稱為增強型MOS管。溝道形成以后,在漏——源極間加上正向電壓VDS,就有漏極電流產生。


VDS對ID的影響
如圖(a)所示,當VGS>VT且為一確定值時,漏——源電壓VDS對導電溝道及電流ID的影響與結型場效應管相似。
漏極電流ID沿溝道產生的電壓降使溝道內各點與柵極間的電壓不再相等,靠近源極一端的電壓最大,這里溝道最厚,而漏極一端電壓最小,其值為VGD=VGS-VDS,因而這里溝道最薄。但當VDS較?。╒DS)
隨著VDS的增大,靠近漏極的溝道越來越薄,當VDS增加到使VGD=VGS-VDS=VT(或VDS=VGS-VT)時,溝道在漏極一端出現預夾斷,如圖2(b)所示。再繼續增大VDS,夾斷點將向源極方向移動,如圖2(c)所示。由于VDS的增加部分幾乎全部降落在夾斷區,故ID幾乎不隨VDS增大而增加,管子進入飽和區,ID幾乎僅由VGS決定。
如何判斷mos管工作狀態-N溝道增強型MOS場效應管


(1)結構:N溝道耗盡型MOS管與N溝道增強型MOS管基本相似。
(2)區別:耗盡型MOS管在VGS=0時,漏——源極間已有導電溝道產生,而增強型MOS管要在VGS≥VT時才出現導電溝道。
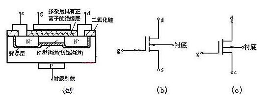
(3)原因:制造N溝道耗盡型MOS管時,在SiO2絕緣層中摻入了大量的堿金屬正離子Na+或K+(制造P溝道耗盡型MOS管時摻入負離子),如圖1(a)所示,因此即使VGS=0時,在這些正離子產生的電場作用下,漏——源極間的P型襯底表面也能感應生成N溝道(稱為初始溝道),只要加上正向電壓VDS,就有電流ID。
如果加上正的VGS,柵極與N溝道間的電場將在溝道中吸引來更多的電子,溝道加寬,溝道電阻變小,ID增大。反之VGS為負時,溝道中感應的電子減少,溝道變窄,溝道電阻變大,ID減小。當VGS負向增加到某一數值時,導電溝道消失,ID趨于零,管子截止,故稱為耗盡型。溝道消失時的柵-源電壓稱為夾斷電壓,仍用VP表示。與N溝道結型場效應管相同,N溝道耗盡型MOS管的夾斷電壓VP也為負值,但是,前者只能在VGS<0的情況下工作。而后者在VGS=0,VGS>0。
N溝道增強型MOS管MOS管曲線和電流方程


輸出特性曲線
N溝道增強型MOS管的輸出特性曲線如圖1(a)所示。與結型場效應管一樣,其輸出特性曲線也可分為可變電阻區、飽和區、截止區和擊穿區幾部分。轉移特性曲線
轉移特性曲線如圖1(b)所示,由于場效應管作放大器件使用時是工作在飽和區(恒流區),此時iD幾乎不隨vDS而變化,即不同的vDS所對應的轉移特性曲線幾乎是重合的,所以可用VDS大于某一數值(VDS>VGS-VT)后的一條轉移特性曲線代替飽和區的所有轉移特性曲線.?ID與VGS的近似關系。
與結型場效應管相類似。在飽和區內,ID與VGS的近似關系式為:


P溝道耗盡型MOS管
P溝道MOSFET的工作原理與N溝道MOSFET完全相同,只不過導電的載流子不同,供電電壓極性不同而已。這如同雙極型三極管有NPN型和PNP型一樣。
〈烜芯微/XXW〉專業制造二極管,三極管,MOS管,橋堆等,20年,工廠直銷省20%,上萬家電路電器生產企業選用,專業的工程師幫您穩定好每一批產品,如果您有遇到什么需要幫助解決的,可以直接聯系下方的聯系號碼或加QQ/微信,由我們的銷售經理給您精準的報價以及產品介紹 
〈烜芯微/XXW〉專業制造二極管,三極管,MOS管,橋堆等,20年,工廠直銷省20%,上萬家電路電器生產企業選用,專業的工程師幫您穩定好每一批產品,如果您有遇到什么需要幫助解決的,可以直接聯系下方的聯系號碼或加QQ/微信,由我們的銷售經理給您精準的報價以及產品介紹
聯系號碼:18923864027(同微信)
QQ:709211280
 
                                
