電壓比較器是對輸入信號進行鑒別與比較的電路,是組成非正弦波發生電路的基本單元電路。常用的電壓比較器有單限比較器、滯回比較器、窗口比較器、三態電壓比較器等。
電壓比較器它可用作模擬電路和數字電路的接口,還可以用作波形產生和變換電路等。利用簡單電壓比較器可將正弦波變為同頻率的方波或矩形波。
電壓比較器的功能是比較兩個電壓的大小(用輸出電壓的高或低電平,表示兩個輸入電壓的大小關系)電壓比較器可用于集成運算放大器組成,也可采用專用的集成電壓比較器。
電壓比較器電路解析
把參考電壓和輸入信號分別接至集成運放的同相和反相輸入端,就組成了簡單的電壓比較器。如圖(1)、(2)所示


下面我們對它們進行分析一下(圖(1)所示的電路進行分析)
傳輸特性如圖(3)所示:


它表明:輸入電壓從低逐漸升高經過UR時,uo將從高電平變為低電平。相反,當輸入電壓從高逐漸到低時,uo將從低電平變為高電平。
定義:閾值電壓:我們將比較器的輸出電壓從一個電平跳變到另一個電平時對應的輸入電壓的值。它還被稱為門限電壓。簡稱為:閾值。用符號UTH表示。
利用簡單電壓比較器可將正弦波變為同頻率的方波或矩形波。
簡單的電壓比較器結構簡單,靈敏多高,但是抗干能力差,因此我們就要對它進行改進。改進后的電壓比較器有:滯回比較器和窗口比較器。
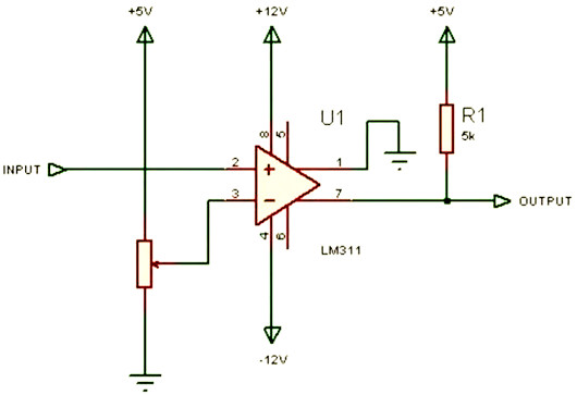
LM311電壓比較器應用電路


滑動變阻器分壓,最大阻值可自選;
若要作過零比較器,3腳直接接地就OK;
輸出端的上拉電阻和1腳接地不要省略;
LM311,8引線,其第7腳為輸出,是集電極開路的結構,即所謂集電極開路門,簡稱OC門,其作用是為了滿足一些特殊的需要,如推動LED、燈、繼電器,及與后隨的數字電路等在電平上兼容。
因此,在應該輸出高電平的時候,就不會得到高電平,需要在7腳與正電源8腳之間接入一個電阻,如1kΩ左右,使集電極不再開路。
 
〈烜芯微/XXW〉專業制造二極管,三極管,MOS管,橋堆等,20年,工廠直銷省20%,上萬家電路電器生產企業選用,專業的工程師幫您穩定好每一批產品,如果您有遇到什么需要幫助解決的,可以直接聯系下方的聯系號碼或加QQ/微信,由我們的銷售經理給您精準的報價以及產品介紹
聯系號碼:18923864027(同微信)
QQ:709211280
 
                                
