可控硅調壓電路的結構由可控硅、電容、電阻和電感組成。可控硅調壓電路是使用可控硅(可控整流器)來控制電壓輸出。當電壓輸入變化時,可控硅會調整輸出電壓,以保持輸出電壓恒定。
可控硅的輸入端接收一個控制信號,該信號可以是一個電壓或電流信號,用于控制可控硅的開關狀態。當可控硅的開關狀態發生變化時,電容、電阻和電感會影響可控硅的輸出電壓,從而調節輸出電壓。
可控硅調壓器電路圖
下圖是一款大功率直流電機調速電路:


可控硅調壓器電路圖二
使用一個負溫度系數(NTC)的熱敏電阻,用如圖a的電路可以用最少的元件、成本和復雜性將溫度控制到1℃或更好的精度。該電路含有保護以防止溫度傳感器短路或開路,且所有的元器件都是常用件。


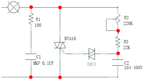
可控硅調壓調光調溫電路
下圖是可控硅調壓調光調溫電路,具有簡單可靠,控制方便等優點。這可用作家用電器的調壓裝置,進行照明燈調光,電風扇調速、電熨斗調溫等控制。這臺調壓器的輸出功率可達1500W,一般家用電器都能使用。


工作原理:
R2、R3、C2、DB3 組成脈沖信號觸發雙向可控硅BTA16, 使BTA16在市電正負半周均保持相應正反向導通。220伏交流電源經過負載(如燈泡等)、可調電位器R2、電阻R3給電容C2充電,當C2充電電壓達到DB3閥值28V時,雙向觸發二極管導通使電壓到達可控硅控制極,使可控硅被觸發導通。改變可調電位器R2的阻值,可增大或減小雙向可控硅的導通角,使輸出電壓升高或降低,從而起到調壓調光調溫調速的目的。
〈烜芯微/XXW〉專業制造二極管,三極管,MOS管,橋堆等,20年,工廠直銷省20%,上萬家電路電器生產企業選用,專業的工程師幫您穩定好每一批產品,如果您有遇到什么需要幫助解決的,可以直接聯系下方的聯系號碼或加QQ/微信,由我們的銷售經理給您精準的報價以及產品介紹
聯系號碼:18923864027(同微信)
QQ:709211280

