電源在進行插拔時,會有如下兩種情況出現:
1、電源連接器的機械觸點在接觸瞬間會出現彈跳;
2、由于系統大容量儲能電容的充電效應,系統中會出現很大的沖擊電流
上述兩種情況可能會引起連接器打火,引發火災;也可能會引起系統電源跌落,導致誤碼或系統重啟。
MOS管
MOS管有導通阻抗Rds低和驅動簡單的特點,利用其米勒效應,在電路設計中可以設計電源緩啟動電路(通常情況下,在正電源中用PMOS,在負電源中使用NMOS),可以實現防抖動延時上電、控制輸入電流的上升斜率和幅值等功能,提高電源穩定性。
電源緩啟動電路分析
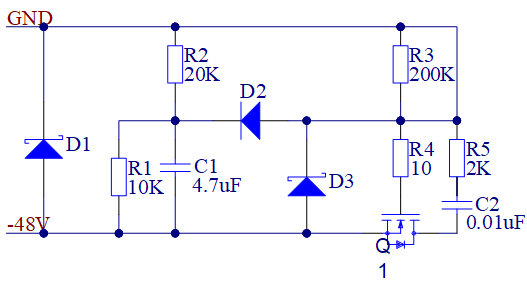
下圖是用 NMOS 搭建的一個 -48V 電源緩啟動電路:

1)D1是嵌位二極管,防止輸入電壓過大損壞后級電路;
2)R2和C1的作用是實現防抖動延時功能;
3)R1的作用是給C1提供一個快速放電通道,要求R1的分壓值大于D3的穩壓值;
4)R3和C2用來控制上電電流的上升斜率;
5)R4和R5的作用是防止MOS管自激振蕩,要求R4、R5<<R3;
6)嵌位二極管D3的作用是保護MOS管Q1的柵-源極不被高壓擊穿;
D2的作用是在MOS管導通后對R2、C1構成的防抖動延時電路和R3、C2構成的上電斜率控制電路進行隔離,防止MOS柵極充電過程受C1的影響。
 
〈烜芯微/XXW〉專業制造二極管,三極管,MOS管,橋堆等,20年,工廠直銷省20%,上萬家電路電器生產企業選用,專業的工程師幫您穩定好每一批產品,如果您有遇到什么需要幫助解決的,可以直接聯系下方的聯系號碼或加QQ/微信,由我們的銷售經理給您精準的報價以及產品介紹
聯系號碼:18923864027(同微信)
QQ:709211280
                                
