1N4007WS整流二極管參數,1N4007WS手冊,1N4007WS規格書
1N4007WS整流二極管,1N4007WS二極管封裝為SOD323,1N4007WS參數規格書,1N4007WS的應用手冊
1N4007WS整流二極管,1N4007WS二極管封裝為SOD323,1N4007WS參數規格書,1N4007WS的應用手冊

1N4007WS整流二極管參數規格書: 點擊查看
1N4007WS整流二極管,SOD-323封裝參數如下:
Reverse Voltage VRM 反向電壓:300V
Peak Repetitive Peak Reverse Voltage VRRM 峰值重復峰值反向電壓:300V
Working Peak Reverse Voltage VRWM 工作峰值反向電壓:300V
DC Blocking Voltage VR 直流閉鎖電壓:300V
Average Rectified Output Current IO 平均整流輸出電流:300mA
Forward voltage IF=150mA VF 正向電壓:1.25V
Junction capacitance VR= 0 V, f= 1 MHz Cj 結電容:2pF
Reverse recovery time IF=IR=10mA,Irr=0.1xIR, RL=100Ω Trr 反向恢復時間:4ns
Operating junction and storage temperature range TJ,TSTG 工作溫度和存儲溫度范圍:-55to +150℃
1N4007WS整流二極管,SOD-323封裝尺寸:

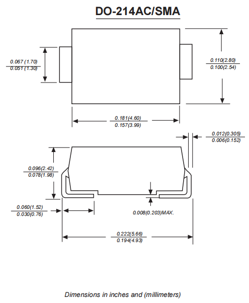
1N4007WS整流二極管,SMAF封裝尺寸:

1N4007WS整流二極管,SOD-323封裝尺寸:

1N4007WS整流二極管,SMAF封裝尺寸:

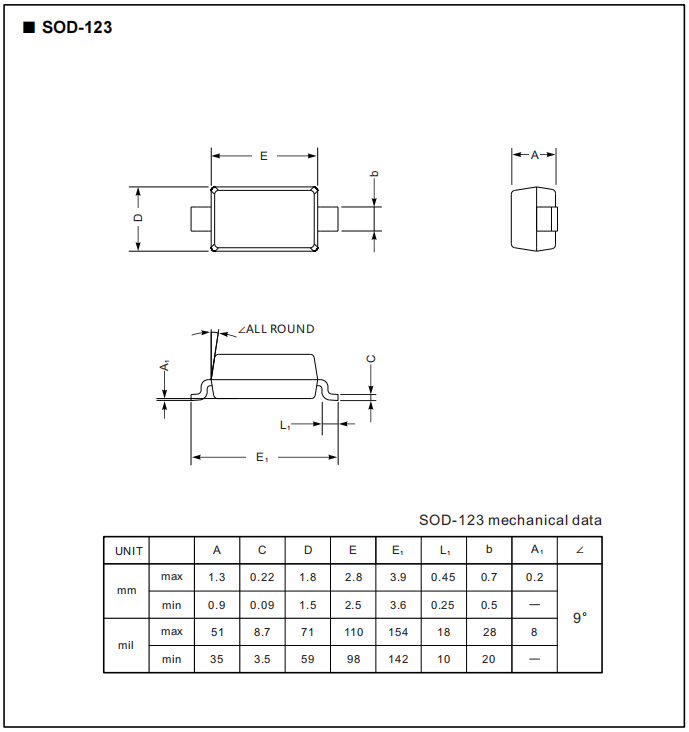
1N4007WS整流二極管,SOD-123封裝尺寸:

1N4007WS整流二極管,SMA封裝尺寸:

〈烜芯微/XXW〉專業制造二極管,三極管,MOS管,橋堆等,20年,工廠直銷省20%,上萬家電路電器生產企業選用,專業的工程師幫您穩定好每一批產品,如果您有遇到什么需要幫助解決的,可以直接聯系下方的聯系號碼或加QQ/微信,由我們的銷售經理給您精準的報價以及產品介紹
聯系號碼:18923864027(同微信)
QQ:709211280
 
                                

