偏置電壓的差分放大器電路
運放電路在單電源供電,而又處理交變信號時,常采用預加偏置電壓的方法,(完成電平位移)取得完整的信號輸出。
理論分析時,已不能簡單套用反饋電壓與輸入電阻的比例來得到確定值了。若嫌計算繁瑣或不想計算,此時據偏置電壓和偏置電路,用電阻串聯分壓的簡易方法,則不難實際推算出輸出電壓值。
HSV-162A伺服驅動器,電流檢測的后級電路如圖1所示。

1 預加偏置電壓的差分衰減器電路
電路的基本結構為差分放大器,再看R2、R1的取值,是為差分衰減器電路,其電壓衰減倍數是多少呢?
1)靜態工作點
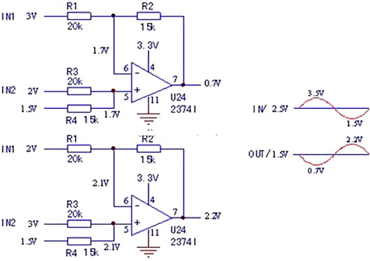
IN1=IN2=2.5V,據R3、R4的串聯分壓電路,可知U24兩輸入端電壓皆為1.9V;再看R1、R2串聯分壓回路,與R3、R4的串聯分壓電路是同樣的取值,可知此時電路輸出電壓,也為1.5V。
上電如果測U24的7腳輸出電壓為1.5V,上電報過電流故障,已經排除該電路了。
2)動態輸出
假定輸入電壓的差分值即IN1-IN2是±1V,輸出電壓是如何變化呢?看圖2。

圖2 動態輸出等效圖
據輸入信號電壓變化,同樣,由R1/R2和R3/R4的串聯分壓電路,可大致估算出輸出電壓值,見圖2右側的波形圖。
輸入±1V;輸出±0.5V。
得到結論,該電路是將輸入信號之差衰減2倍輸出的差分衰減器。
用串聯分壓算一下,個人感覺比套用公式要簡易得多,直捷得多,不用現翻書本。
由簡單的估算確定電路的類型和好壞。如果相當熟了,一看電阻值,就知輸出電壓了。一搭表筆,就知電路的好壞了。
遇有放大器電路問題,不要忙著換片,測量一下比焊片更快也更省事兒。因為確定其好壞,不是難事兒。
 
〈烜芯微/XXW〉專業制造二極管,三極管,MOS管,橋堆等,20年,工廠直銷省20%,上萬家電路電器生產企業選用,專業的工程師幫您穩定好每一批產品,如果您有遇到什么需要幫助解決的,可以直接聯系下方的聯系號碼或加QQ/微信,由我們的銷售經理給您精準的報價以及產品介紹
聯系號碼:18923864027(同微信)
QQ:709211280
 
                                
