互鎖電路工作原理
互鎖電路就是電路和兩個回路,互相鎖定,一個動作另一個不能動作。
只要把兩個回路互加一個常閉接點就行了,一個回路起動時能把另一個回路切斷。
互鎖電器控制或機械操作機構用語。
比如電器控制中同一個電機的“開”和“關”兩個點動按鈕應實現互鎖控制,即按下其中一個按鈕時,另一個按鈕必須自動斷開電路,這樣可以有效防止兩個按鈕同時通電造成機械故障或人身傷害事故。
機械行業的某些場合也會用到類似的互鎖控制機構。有按鈕互鎖,接觸器互鎖等。

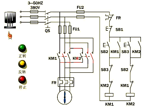
當SB2按下時,電流通過K1、SB2、M2-2給J1供電,KM1吸合(電機順轉),同時常開點M1-1也吸合接通.此時就可松開SB2,這叫自鎖,M1-1叫自鎖開關。
KM1吸合同時常閉點M1-2斷開,切斷J2的供電回路使J2無法吸合,這叫互鎖。
M2-2是KM2的常閉點,只有J2斷電釋放、KM2斷開時才會接通,所以叫互鎖開關。

1、接觸器互鎖:KM1線圈回路串入KM2的常閉輔助觸點,KM2線圈回路串入KM1的常閉觸點。
當正轉接觸器KM1線圈通電動作后,KM1的輔助常閉觸點斷開了KM2線圈回路,若使KM1得電吸合,必須先使KM2斷電釋放,其輔助常閉觸頭復位,這就防止了KM1、KM2同時吸合造成相間短路,這一線路環節稱為互鎖環節。
2、按鈕互鎖:在電路中采用了控制按鈕操作的正反傳控制電路,按鈕SB2、SB3都具有一對常開觸點,一對常閉觸點,這兩個觸點分別與KM1、KM2線圈回路連接。
例如按鈕SB2的常開觸點與接觸器KM2線圈串聯,而常閉觸點與接觸器KM1線圈回路串聯。
按鈕SB3的常開觸點與接觸器KM1線圈串聯,而常閉觸點壓KM2線圈回路串聯。
這樣當按下SB2時只能有接觸器KM2的線圈可以通電而KM1斷電,按下SB3時只能有接觸器KM1的線圈可以通電而KM2斷電,如果同時按下SB2和SB3則兩只接觸器線圈都不能通電。這樣就起到了互鎖的作用。

互鎖電路
 
電話:18923864027(同微信) 
QQ:709211280
〈烜芯微/XXW〉專業制造二極管,三極管,MOS管,橋堆等,20年,工廠直銷省20%,上萬家電路電器生產企業選用,專業的工程師幫您穩定好每一批產品,如果您有遇到什么需要幫助解決的,可以直接聯系下方的聯系號碼或加QQ/微信,由我們的銷售經理給您精準的報價以及產品介紹
 
                                
