什么是電源管理
電源管理是指如何將電源有效分配給系統的不同組件。電源管理對于依賴電池電源的移動式設備至關重要(比如:手機、筆記本電腦)。
一個優秀的電源管理系統能夠通過降低組件閑置時的能耗將電池壽命延長2~3倍,電源管理技術是集電力變換,現代電子,網絡組建,自動控制等多學科于一體的邊緣交叉技術,應用領域廣泛涉及工業,交通,信息通訊,航天航空,國防教育,文化等。

電源管理的發展歷程
上世紀40年代晶體管問世,不久后,作為電源管理技術的發展基礎的晶閘管在晶體管漸趨成熟的基礎上問世,從而揭開了電源管理技術長足發展序幕。
1979年發明了功率場效應晶體管 (MOSFET),1986年高壓集成電路(HVTC)開始出現,這就是最早的電源集成電路。
上世紀80年代,確定了集成化是電力電子技術未來發展方向,電源集成電路逐步成為功率半導體器件中的主導器件,開啟了電源管理的新時代。自出現以來,電源管理技術發展勢頭迅猛,已經成為了涵蓋生產生活大小方面的關鍵部分。
電源管理的分類
從一定意義上來說,“功率半導體”也稱為“電源管理半導體”。也正是因為大量集成電路進入電源領域,大家普遍將電源技術統稱為“電源管理”。
電源管理半導體從所包含的器件來說,明確強調電源管理集成電路(也稱電源管理IC)的位置和作用。電源管理半導體包括兩部分,即電源管理集成電路和電源管理分立式半導體器件。
電源管理集成電路可以分成電壓調整器和接口電路兩類。電壓調整器包含線性低壓降穩壓器(即LDO),以及正、負極輸出系列電路,此外有脈寬調制(PWM)型的開關型電路等。
隨著技術的發展,集成電路芯片內集成的數字電路的物理尺寸日漸縮小,工作電源也隨之向低電壓發展,一系列新型電壓調整器應運而生。
電源管理用接口電路主要有接口驅動器、馬達驅動器、功率場效應晶體管(MOSFET)驅動器以及高電壓/大電流的顯示驅動器等等。
電源管理分立式半導體器件大致可以分成兩大類,一類包含整流器和晶閘管;另一類是三極管型,包含功率雙極性晶體管,含有MOS結構的功率場效應晶體管(MOSFET)和絕緣柵雙極型晶體管(IGBT)等。
電源管理IC分類
電源管理半導體中的主導部分是電源管理IC,大致可歸納為下述8種。
(1)AC/DC調制IC。內含低電壓控制電路及高壓開關晶體管。
(2)DC/DC調制IC。包括升壓/降壓調節器,以及電荷泵。
(3)功率因數控制PFC預調制 IC。提供具有功率因數校正功能的電源輸入電路。
(4)脈沖調制或脈幅調制PWM/ PFM控制IC。為脈沖頻率調制和/或脈沖寬度調制控制器,用于驅動外部開關。
(5)線性調制IC(如線性低壓降穩壓器LDO等)。包括正向和負向調節器,以及低壓降LDO調制管。
(6)電池充電和管理IC。包括電池充電、保護及電量顯示IC,以及可進行電池數據通訊“智能”電池 IC。
(7)熱插板控制IC(免除從工作系統中插入或拔除另一接口的影響)。
(8)MOSFET或IGBT的驅動 IC。
以上電源管理IC中,電壓調節IC是發展最快、產量最大的一類。各種電源管理IC基本上和一些相關的應用相聯系,根據不同應用領域,還可以延伸出更多類型的器件。
電源管理IC應用領域
電源管理IC應用在便攜式產品(手機、數碼相機、筆記本電腦、MP3播放器、移動硬盤等)、數字消費類電子產品(高清晰度電視機、LCD電視機和面板、DVD播放機)、計算機、通信網絡設備、工業設備和汽車電子。其中消費類電子產品是電源管理芯片的最大應用領域。
不管什么應用或產品都必須采用相應的電源管理技術才能充分發揮它們的功能。
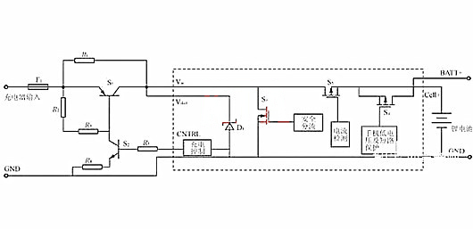
電源管理IC如何工作
以移動通信終端為例,進一步說明電源管理IC是如何工作的。
移動通信終端普遍采用的都是鋰離子電池,所以電池管理的設計主要是根據鋰離子電池的特性展開的。
放電工作原理
我們都知道,電池過放會給電池帶來災難性的后果,特別是大電流過放或反復過放,對電池的影響更大。鋰離子電源管理電路的功能之一就是為了保護鋰電池不至于過放。
蓄電池放電時,貯存的電能逐步釋放,電壓緩慢下降,當電壓降低到某一規定值時應停止放電,重新充電以恢復電池的貯能狀態,低于此規定值繼續放電,即為過度放電。過放電會破壞電極活性物質,導致電池壽命縮短。

充電工作原理
鋰電池在充電時,充電管理電路是一個極其復雜的過程,既要保證鋰電池能夠充滿,又要保證鋰電池的性能,最重要的是要保證鋰電池不能過充。
過充電主要是指電池在充電時,在達到充滿狀態后,還繼續充電。這樣的做法可能導致電池內壓升高、電池變形、漏液等情況發生,電池的性能也會顯著降低和損壞。
“整個充電電路應該具有以下幾種充電模式:
低電壓預充電模式;
全速充電模式;
涓流充電模式;
頂端截止、脈沖充電模式;
充電截止模式。”
不管是什么領域,技術的更迭換代是必然的,隨著系統處理能力的增加、網絡帶寬的拓展,對電源器件和電源管理提出更多、更高的要求,越來越多的電子設備會內置數字信號處理器,SoC及其他數字電路,相應地,低輸出電壓、高電流的電源管理電路將會繼續有強勁的市場需求。
電源管理IC也必須采用更先進的技術,以實現多輸出和高集成度。而Type-C接口標準的大一統趨勢,USB接口的高效率充電也已經成為相關芯片直面的問題。
 
電話:18923864027(同微信) 
QQ:709211280
〈烜芯微/XXW〉專業制造二極管,三極管,MOS管,橋堆等,20年,工廠直銷省20%,上萬家電路電器生產企業選用,專業的工程師幫您穩定好每一批產品,如果您有遇到什么需要幫助解決的,可以直接聯系下方的聯系號碼或加QQ/微信,由我們的銷售經理給您精準的報價以及產品介紹
 
                                
