在28nm以下,由于最大器件長度限制,模擬設計人員經常要對多個短長度的MOSFET串聯來創建長溝道的器件。這些串聯連接的器件通常被稱為堆疊MOSFET或堆疊器件。
例如,將三個1μm的MOSFET串聯堆疊,可創建一個溝道長度為3μm的有效器件(圖1)。

圖1:將三個MOSFET串聯堆疊,可提供3μm的溝道長度。
堆疊MOSFET在現代模擬設計中非常常見,但并不是沒有問題。其主要問題是電容增加以及面積更大。電容增加很大程度上是由于器件周圍的互連增加??倴艠O面積和總柵極電容與非堆疊等效電路相似,但在互連線上有額外的寄生電容。與單個長溝道器件相比,堆疊器件的物理分離增加了總設計面積。
當在電路中使用堆疊MOSFET時,版圖質量變得比平常更重要。不良的版圖設計會顯著增加寄生電容和設計面積,并可能使電路無法滿足期望的性能特性。
版圖設計工程師必須非常小心地設計這些器件的版圖。大多數從事于這些較小工藝節點的設計人員都經歷過版圖前仿真和版圖后仿真非常不同的情況。通常,這歸因于堆疊器件上所存在的互連寄生效應。
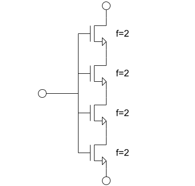
下面來看看幾種實現堆疊MOSFET高質量版圖的方法。圖2中的子電路顯示了將四個NMOS MOSFET堆疊在一起而創建一個長溝道器件。

圖2:將四個MOSFET堆疊,可創建一個長溝道電路。
在這個電路中可以看到,所有的柵極引腳都是相互連接的(所有四個整體連接也是如此),也可以看到,所有的MOSFET都是通過將一個器件的漏極與下一個器件的源極串聯起來而連接在一起。
在這種情況下,由于每個器件都是簡單的單指MOSFET,因此可以使用簡單的擴散分配版圖模式來設計這種結構的版圖。

圖3:將左邊的簡單堆疊情況與右邊的等效長溝道器件進行比較。
簡單堆疊情況的版圖如圖3左邊所示,可以看到它幾乎沒有額外的互連,因為等效的長溝道器件(右邊)也需要一個多晶硅觸點。在這種情況下,面積不利顯著,但這是不可避免的,并且由多晶硅最小間距規則所決定。
這種方法的另一個問題是,非常長的有效器件可能導致非常長的擴散分配鏈路。然而,可以將長鏈折疊成多行,如圖4所示。但是,其代價是這增加了額外的互連,并進一步增加了堆疊器件的電容。

圖4:可以將長鏈折疊成多行。
圖5中的電路顯示了電路設計人員想要在電路中使用兩指MOSFET來實現更好匹配的情況。

圖5:可以在電路中使用兩指MOSFET實現更好的匹配。
兩指器件不能通過擴散分配連接,因此必須使用不同的布局和布線方法。為了實現緊湊的版圖,器件是按列來連接的,而不是前面示例中所示的按行模式。

圖6:按列進行連接(左側);這種按列模式的布局機制如右側所示。
在圖6中,左圖顯示了連接模式,也即將一個器件的漏極與下一個器件的源極垂直相連。如圖所示,連接是按列的方式進行的,交替器件的不同參數在MOSFET的漏極中心變體和源極中心變體之間進行交換。交換的觸點使列中的器件之間可以進行直線布線,從而就可避免彎曲以及額外的過孔。
在右側可以看到這個按列模式的布線模式。有額外的互連,但與通常的接觸增強所需的互連相比并不會明顯增多。
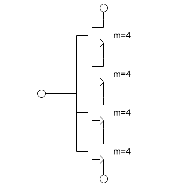
電路設計人員也可以為堆疊的器件指定m因子。堆疊m因子拓撲使電路設計人員可使用多個小型MOSFET構建具有長、寬溝道的器件。圖7顯示了m因子為4的單指堆疊器件。


圖7:具有m因子拓撲的單指堆疊器件。
在圖7的版圖中可以看到,這種模式中包含了前面按行模式的四個副本,這樣一來就可確保器件之間額外布線的數量最少。
本文中展示了一些可用于堆疊MOSFET的基本模式。在上述所有例子中,器件的布局和布線是實現高質量版圖設計的關鍵。
Pulsic的Animate Preview工具中的技術將布局和布線結合在一次操作中。這使Animate Preview可以為堆疊器件實現上述最佳版圖設計模式。每個器件的準確位置、方向和參數化都必須經過優化才能獲得期望的結果。
同時,該工具還必須考慮流經每個器件的電流,從而最大限度地降低互連的復雜性和長度。模擬版圖設計總是需要仔細平衡多個競爭優先事項,沒有一種行事方式能在所有情況下都有效。
 
電話:18923864027(同微信) 
QQ:709211280
〈烜芯微/XXW〉專業制造二極管,三極管,MOS管,橋堆等,20年,工廠直銷省20%,上萬家電路電器生產企業選用,專業的工程師幫您穩定好每一批產品,如果您有遇到什么需要幫助解決的,可以直接聯系下方的聯系號碼或加QQ/微信,由我們的銷售經理給您精準的報價以及產品介紹
 
                                
