在電子學中,稱為達林頓配置(通常稱為達林頓對)的多晶體管是由兩個雙極晶體管組成的電路,其中一個晶體管的發射極連接到另一個晶體管的基極,這樣電流被第一個晶體管放大被第二個進一步放大。兩個晶體管的集電極連接在一起,這種配置比單獨采用的每個晶體管具有更高的電流增益。
1.什么是達林頓管
達林頓管就是兩個三極管接在一起,極性只認前面的三極管。具體接法如下,以兩個相同極性的三極管為例,前面三極管集電極跟后面三極管集電極相接,前面三極管發射極跟后面三極管基極相接,前面三極管功率一般比后面三極管小,前面三極管基極為達林頓管基極,后面三極管發射極為達林頓管發射極,用法跟三極管一樣,放大倍數是兩個三極管放大倍數的乘積。

圖1 達林頓管
2.達林頓管的優點
典型的達林頓晶體管具有1000或更高的電流增益,因此只需要很小的基極電流就可以使該晶體管對接通更高的開關電流。
電路提供非常高的輸入阻抗。
它可以簡單地由兩個獨立的NPN晶體管制成,也可以采用多種單一封裝。
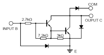
3.達林頓管應用電路圖

圖2 達林頓管電路圖
4.達林頓管的工作原理
達林頓管又稱復合管。他將兩個三極管串聯,以組成一只等效的新的三極管。這只等效三極管的放大倍數是原二者之積,因此它的特點是放大倍數非常高。達林頓管的作用一般是在高靈敏的放大電路中放大非常微小的信號,如大功率開關電路。在電子學電路設計中,達林頓接法常用于功率放大器和穩壓電源中。

圖3 達林頓管工作原理圖
5.達林頓管的應用
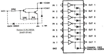
系統中的行驅動器和列驅動器均可采用高β、高速低壓降的達林頓管。用BD683(或BD677)型中功率NPN達林頓管作為列驅動器,而用BD682(或BD678)型PNP達林頓管作行驅動器,控制8×8LED矩陣板上相應的行(或列)的像素發光。應注意的是,達林頓管由于內部由多只管子及電阻組成,用萬用表測試時,be結的正反向阻值與普通三極管不同。對于高速達林頓管,有些管子的前級be結還反并聯一只輸入二極管,這時測出be結正反向電阻阻值很接近,容易誤判斷為壞管,請注意。
用于大功率開關電路、電機調速、逆變電路。
驅動小型繼電器:利用CMOS電路經過達林頓管驅動高靈敏度繼電器的電路。虛線框內是小功率NPN達林頓管FN020。
驅動LED智能顯示屏:LED智能顯示屏是由微型計算機控制,以LED矩陣板作顯示的系統,可用來顯示各種文字及圖案。
6.關于達林頓管的常見問題
6.1達林頓晶體管的主要功能是什么?
達林頓晶體管充當具有高電流增益的單個晶體管,這意味著使用來自微控制器或傳感器的少量電流來運行更大的負載。
6.2達林頓管有哪些缺點?
帶寬有限
此配置在負反饋電路中的某些頻率處引入了相移
由于高飽和電壓,它提供高功耗
第一個晶體管的漏電流被下一個晶體管放大
6.3達林頓晶體管有什么用?
達林頓晶體管對的應用涉及在低頻下需要高增益的地方,如電源調節器、音頻放大器輸出級、顯示驅動器、電機控制器、觸摸和光傳感器以及螺線管控制。
6.4達林頓放大器的電壓增益是多少?
典型的達林頓對的增益為10000,有些增益高達50000。達林頓對可以由兩個單獨的晶體管組裝而成,但使用達林頓晶體管更方便。
6.5如何測試達林頓晶體管的好壞
(1)識別達林頓晶體管上的基極、集電極和發射極引線?;鶚O引線連接到晶體管對中第一個晶體管的基極,集電極共同連接到這對晶體管的兩個元件,發射極引線連接到第二個晶體管的發射極。如果您不確定設備是 NPN 還是 PNP 類型,請參閱制造商的規格表。以下步驟針對的是 NPN 型晶體管。反轉 PNP 型設備的測試引線的極性。
(2)將萬用表撥盤轉到二極管設置。如果工具沒有此選項,請將其調至最低歐姆設置。
(3)將正極儀表引線夾或壓在底座引線上。如果測試導線時沒有內置夾子,請使用鱷魚夾跳線連接晶體管導線和儀表探頭。夾住探頭可以更輕松地使用微型設備。
(4)將負極測試探針接觸到集電極,然后是發射器。正常工作的晶體管將顯示低 hFE(晶體管電流增益)讀數。
(5)將負表引線夾在晶體管的基極引線上。
(6)將正極引線壓到發射極和集電極引線上。由于測試設備的反向偏置,每個讀數都應顯示開路(無限電阻)。
結語
以上就是達林頓管典型應用電路圖與工作原理的介紹了,即使在安全區電壓下,達林頓對也可以足夠敏感以響應皮膚接觸通過的電流。因此它可以形成一個新的觸敏開關輸入級。達林頓晶體管可用于大電流電路,例如LM1084穩壓器。其他高電流應用可能包括那些涉及電機或繼電器的計算機控制的應用,其中電流從計算機輸出線的安全低電平放大到連接設備所需的量。
 
電話:18923864027(同微信) 
QQ:709211280
〈烜芯微/XXW〉專業制造二極管,三極管,MOS管,橋堆等,20年,工廠直銷省20%,上萬家電路電器生產企業選用,專業的工程師幫您穩定好每一批產品,如果您有遇到什么需要幫助解決的,可以直接聯系下方的聯系號碼或加QQ/微信,由我們的銷售經理給您精準的報價以及產品介紹
 
                                
