開關電源是一種高頻化電能轉換裝置,是電源供應器的一種。其功能是將一個位準的電壓,透過不同形式的架構轉換為用戶端所需求的電壓或電流;其以體積小、重量輕、變換效率高被廣泛應用于電子設備中。其電路拓撲有多種形式,無工頻變壓器的開關電源最具吸引力,但這種電源只適用于輸出電壓固定或變化范圍不大的場合,而不適和要求輸出電壓幅度變化很大或連續可調的場合。
本文介紹了利用單片式開關穩壓器LM2576-ADJ 替代線性穩壓器構成串聯開關式穩壓電源,在電路中只需增加續流二極管和儲能電感等幾只元器件,使電路更加簡潔,除具有線性電源寬范圍連續可調的優點外,同時使電源效率得到了大幅度提高,在負載較輕時,不加散熱器也能正常工作,又使整機的重量和體積有所減少。
1.LM2576-ADJ 簡介
LM2576-ADJ 單片降壓式開關穩壓器,由振蕩器、取樣放大器、比較器、PWM 調制器、功率開關等部分組成。采用TO-220 封裝,僅有5只管腳,外形和塑封晶體管差不多。其功能框圖及引腳排列如圖1、圖2 所示。

圖1 LM2576功能框圖

圖2 LM2576引腳排列圖
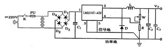
LM2576-ADJ 是輸出電壓可調型,其技術參數為:輸入電壓3. 5~40V ;輸出電壓1. 23~37V ;輸出電流3A ;振蕩器固定頻率52kHz ;TTL 關閉能力及低功率備用狀態;具有熱關閉和限流保護功能。 其典型應用電路如圖3 所示(輸出電壓連續可調) ,當直流輸出端直接接于控制端4 腳時,可輸出固定電壓。LM2576系列產品是現流行的三端線性調整器的替代品。

圖3 LM2576-ADJ 典型應用電路
2.電路原理
交流電經電源變壓器隔離降壓再經橋式整流濾波后,加到LM2576-ADJ 輸入端1 腳。穩壓器控制端4 腳接于電位器W和電阻R 組成的分壓電路上,改變W即可改變分壓比,就能調節其輸出電壓大小。Vo = UREF(1 +W/R) ,其中UREF為穩壓器取樣電路基準電壓為1. 23V。C1 輸入端濾波電容, C2 、C3 輸出端濾波電容如圖4 所示。

圖4 高效率輸出連續
3.器件選擇
C1 的選擇原則可按IOM×1000uF/A 經驗公式進行估算,即每輸出1A電流就對應于1000uF 的電容量,耐壓為63V 即可。續流二極管D的選擇,正向額定電流必須大于負載電流,耐壓值必須大于輸入電壓。
貯能電感的計算,按公式計算。其中Vi為LM2576-ADJ輸入不穩定的直流,Iomin為開關穩定器輸出電流的最小值,f 開關管工作頻率。
輸出端濾波電容的計算, 按 公式計算。其中△Vo 為開關穩定器輸出電壓紋波分量。
4.使用注意事項
(1) 當輸出電壓較低時,其輸出脈寬很窄,占空比很小,將增加輸出電壓的紋波系數。因此,變壓器次級宜采取高低壓抽頭。
(2) 信號地與功率地必須分開布置,因為功率地線上流過大電流在印制板上形成壓降若被引入信號端,經過開關穩壓器反映到輸出端,將影響穩壓性能。
(3) 使用中應避免輸出端短路,尤其是當輸出電壓較高、輸出電流較大時,有可能造成開關穩壓器損壞。
 
電話:18923864027(同微信) 
QQ:709211280
〈烜芯微/XXW〉專業制造二極管,三極管,MOS管,橋堆等,20年,工廠直銷省20%,上萬家電路電器生產企業選用,專業的工程師幫您穩定好每一批產品,如果您有遇到什么需要幫助解決的,可以直接聯系下方的聯系號碼或加QQ/微信,由我們的銷售經理給您精準的報價以及產品介紹
 
                                
