通用型集成運放LM324內部有四個運放器,利用其中兩個運放器可以制作一個電源測試儀。此測試儀對于工廠生產線上大批量生產電源板進行檢驗特別適合,只要看指示燈即可判別電源板的好壞。本文介紹基于LM324的電源測試儀設計方案。
1.電源測試儀簡介
儀器最大的特點是體積小、重量輕,適合220V直流系統檢測,并能全自動實時在線快速準確的測試出變電站直流電源系統的穩壓精度、穩流精度、紋波系數、效率特性、電池放電容量等,并可對電池的多項測量結果和曲線顯示生成報表,并進行綜合計算分析,準確判別。
2.LM324簡介
LM324系列器件帶有真差動輸入的四運算放大器,具有真正的差分輸入。與單電源應用場合的標準運算放大器相比,其具有可以工作在低到3.0伏或者高到32伏的電源下,靜態電流為MC1741的靜態電流的五分之一等優點。采用14腳雙列直插塑料封裝,外形如圖所示。它的內部包含四組形式完全相同的運算放大器,除電源共用外,四組運放相互獨立。

圖1 LM324封裝外形圖
3.電路設計
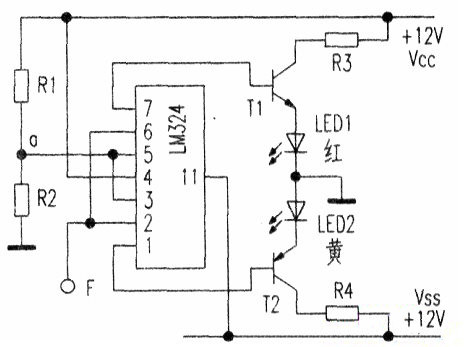
電路如圖2所示,假如要檢測的電源為9V,誤差0.8V,即小于8.2V和大于9.8V的產品為不合格。

圖2 電路原理圖
首先,選擇Rl、R2的阻值使a點電壓為9V,當F測到電壓高于9.8V時,T1導通,LEDI(紅燈)亮,此燈作為過壓指示;當F測到低于8.2V時,T2導通,LED2(黃燈)亮,把它作為欠壓指示;兩燈都不亮時,表示被測電源板正常。另外改變R1、R2,即選擇a點的電壓,可檢測不同電壓的電源。
以上就是基于LM324的電源測試儀設計方案介紹了。LM324可以工作于低至3.0 V或高達32 V的電源電壓,靜態電流是MC1741的五分之一左右(每個放大器)。共模輸入范圍包括負電源,因此在眾多應用中無需外部偏置元器件。
 
電話:18923864027(同微信) 
QQ:709211280
〈烜芯微/XXW〉專業制造二極管,三極管,MOS管,橋堆等,20年,工廠直銷省20%,上萬家電路電器生產企業選用,專業的工程師幫您穩定好每一批產品,如果您有遇到什么需要幫助解決的,可以直接聯系下方的聯系號碼或加QQ/微信,由我們的銷售經理給您精準的報價以及產品介紹
 
                                
