串聯放大器與加入負反饋的思路
之前講述的共射極放大電路,放大倍數只有5倍。就算再努力一點,也只能達到十幾倍,放大倍數太小。本節嘗試把1KHz,10毫伏峰峰值的正弦波,放大100倍。
單晶體管的放大倍數理論上最大能達到自身的h_FE,實際上考慮到放大電路的穩定性,單晶體管的實際放大倍數往往小于h_FE。如果想進一步提高放大倍數,可以考慮把多級放大電路串聯起來。這種思路很好理解,如果第一級放大了3倍,第二級放大了4倍,那么總的放大倍數就是12倍。但是串聯放大器電路的頻率特性很差,且噪聲是每個放大器的噪聲之和,所以一般情況下,會在這樣的電路中加入負反饋。

負反饋在電子電路中有著非常廣泛的應用,采用負反饋是以降低放大倍數為代價,目的是為了改善放大電路的工作性能,如穩定放大倍數、減少非線性失真、減小輸出阻抗等,所以在實用電子電路中幾乎都要引入負反饋。
負反饋放大電路的第一級——共射極放大電路的改良
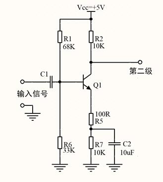
共射極放大電路的放大倍數,大致等于集電極電阻與發射極電阻的比值。在電源電壓與晶體管確定以后,制約放大倍數提升的主要因素就是集電極電阻與發射極電阻自身的壓降了。如果想實現100倍的放大,那么集電極電阻上的壓降V_RC就是發射極電阻壓降V_RE的100倍。而發射極電阻的壓降V_RE就是三極管發射極的電壓值V_E,考慮到穩定性,這個值也不能太小(三極管受溫度影響時,工作特性會有一些變化,發射極電壓要有一定的裕量)。提高放大倍數需要V_E小一點,三極管的穩定工作又不能讓V_E太小,兩者相互矛盾。
有沒有解決辦法呢?放大倍數是交流的增益,三極管穩定工作依賴于直流的靜態工作點,從交直流通路的角度考慮,可以找到既不破壞直流電位關系,又提高交流增益的方法:使用電容把并聯電阻接入交流通路,或者把串聯電阻短路。

我們用此思路設計負反饋放大電路的第一級,分析交流通路,得到理論放大倍數為R2/R5=100倍;分析直流通路,可知R7+R5共同決定了的發射極電壓。

負反饋放大電路的第二級——按三極管自身放大倍數來放大
放大電路的每一級都要盡可能提高放大倍數。對于負反饋放大電路的第二級,可以讓電路的放大倍數接近于三極管自身的放大倍數。由于負反饋放大電路的放大倍數不依賴于某一級的放大倍數,所以此處無需考慮第二級放大的穩定性的問題。可以直接用電容把發射極電阻“交流短路”:分析直流通路的時候,通過電阻R2、R3、R8確定Q2的靜態工作點;分析交流的時候,無視發射極電阻R3,以保證放大倍數盡可能的大。
兩級之間,串聯電阻R4與電容C3。電容C3可以保證只通過交流信號,電阻R4可以決定電路的放大倍數。

為什么多級串聯要把機型不同的晶體管交替使用
在多級放大電路串聯的時候,通常會交替的將極性不同的晶體管組合起來使用。如果第一級是NPN,那么第二級就是PNP,第三級是NPN……。結合下圖,不難看出原因:如果第二級仍然是NPN,那么第二級的基極電壓V_B2等于第一級的集電極電壓V_C1。因為Q1工作在放大區,所以V_C1是飽和壓降與發射極電壓之和,已經是一個比較大的電壓了(最大時接近電源電壓,最小時為R5壓降+0.6V)。第二級的集電極電壓V_C2最小值也要大于V_C1,那么V_C2的取值范圍就很小了,電路會得不到最大的輸出電壓范圍。

圖 如果第二級使用NPN三極管
如果第二級是PNP三極管,那么0<V_C2<V_C1, V_C2的取值范圍較大,可以得到更大的輸出電壓范圍。因此會交替的將極性不同的晶體管組合起來使用。
 
電話:18923864027(同微信) 
QQ:709211280
〈烜芯微/XXW〉專業制造二極管,三極管,MOS管,橋堆等,20年,工廠直銷省20%,上萬家電路電器生產企業選用,專業的工程師幫您穩定好每一批產品,如果您有遇到什么需要幫助解決的,可以直接聯系下方的聯系號碼或加QQ/微信,由我們的銷售經理給您精準的報價以及產品介紹
 
                                
