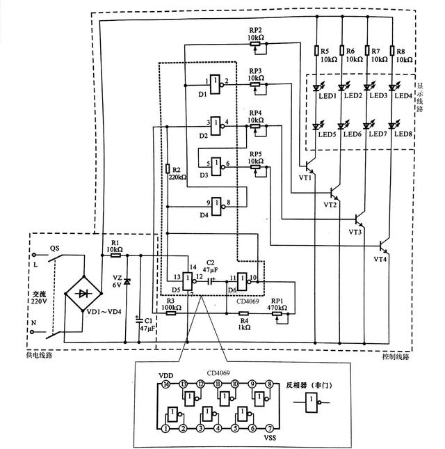
LED廣告燈控制線路是一種可用于小區庭院、馬路、景觀照明及裝飾用的線路。LED廣告燈控制線路是采用LED作為顯示設備的線路,通過邏輯門電路控制不同顏色的LED有規律地亮滅,起到廣告警示的作用。
下圖所示為典型LED廣告燈控制線路。


LED廣告燈控制線路主要是由供電線路、控制線路以及顯示線路等構成的。
該線路中電源總開關QS、橋式整流電路VD1~VD4、六非門電路CD4069、驅動晶
體三極管VT1~VT4、發光二極管LED1~LED8為核心元器件和部件。
LED廣告燈控制線路的供電過程為:
合上電源總開關QF,接通交流220 V市電電源。
交流220 V 市電電壓經橋式整流電路VD1~VD4整流后輸出直流電壓,為顯示線路進行供電。
整流輸出的直流電壓,經電阻器R1降壓、穩壓二極管VZ穩壓、濾波電容器C1濾波后,產生6 V直流電壓,為六非門電路C04069提供工作電壓(4腳送入)。
2.LED廣告燈的工作過程為:
六非門電路CD4069工作后,D5與D6兩個非門(反相放大器)與電容、電阻構成脈沖振蕩電路,由10腳和13腳輸出低頻振蕩信號。
低頻振蕩脈沖加到CD4069的9腳,經電阻器R2后加到3腳上。
由9腳輸人的振蕩信號經反相后,由8腳輸出,一路再送入1腳中。
從圖可見,振蕩信號經4個非門的處理分別由2,4,6,8腳輸出相位和時序不同的脈沖信號,并分別加到VTI~VT4的基極。當有正極性脈沖加到晶體三極管基極時,該管便會導通,相應的LED便會點亮發光,從而形成有規律的閃光。
六非門電路CD4069的5腳輸入的振蕩信號經反相后由6腳輸出(此時輸出的振蕩信號與4腳輸出的相反)。
振蕩信號經電位器RP5送往驅動晶體三極管VT4的基極,使VT4工作在開關狀態,從而交替導通。
振蕩信號為高電平時VT4導通,發光二極管LED4和LED8便會發光;振蕩信號為低電平時VT4截止,發光二極管LED4和LED8·便會熄滅。
此時LED3和LED7、LED4和LED8在振蕩信號的作用下,便會交替地點亮和熄滅。
電話:18923864027(同微信)
QQ:709211280
〈烜芯微〉專業制造二極管,三極管,MOS管,橋堆等20年,工廠直銷省20%,上萬家電路電器生產企業選用,專業的工程師幫您穩定好每一批產品,如果您有遇到什么需要幫助解決的,可以點擊右邊的工程師,或者點擊銷售經理給您精準的報價以及產品介紹
			電話:18923864027(同微信)
QQ:709211280
〈烜芯微〉專業制造二極管,三極管,MOS管,橋堆等20年,工廠直銷省20%,上萬家電路電器生產企業選用,專業的工程師幫您穩定好每一批產品,如果您有遇到什么需要幫助解決的,可以點擊右邊的工程師,或者點擊銷售經理給您精準的報價以及產品介紹
 
                                
