基準電壓源電路
有許多方法可以設計基準電壓源 IC,而每種方法都有特定的優點和缺點。
基于齊納二極管的基準電壓源
深埋齊納型基準電壓源是一種相對簡單的設計。齊納(或雪崩)二極管具有可預測的反向電壓,該電壓具有相當好的溫度穩定性和非常好的時間穩定性。如果保持在較小溫度范圍內,這些二極管通常具有非常低的噪聲和非常好的時間穩定性,因此其適用于基準電壓變化小的應用。
與其他類型的基準電壓源電路相比,這種穩定性可歸因于少元件數量和小芯片面積,而且齊納元件的構造很精巧。然而,初始電壓和溫度漂移的變化相對較大,這很常見??梢栽黾与娐穪硌a償這些缺陷,或者提供一系列輸出電壓。分流和串聯基準電壓源均使用齊納二極管。
帶隙基準電壓源
齊納二極管雖然可用于制作高性能基準電壓源,但缺乏靈活性。具體而言,它需要 7V 以上的電源電壓,而且提供的輸出電壓相對較少。相比之下,帶隙基準電壓源可以產生各種各樣的輸出電壓,電源裕量非常?。ㄍǔP∮?100mV)。帶隙基準電壓源可設計用來提供非常精確的初始輸出電壓和很低的溫度漂移,無需的耗時在應用中校準。
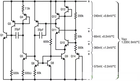
帶隙操作基于雙極結型晶體管的基本特性。圖 1 所示為一個基本帶隙基準電壓源。可以看出,一對不匹配的雙極結型晶體管的 VBE 具有與溫度成正比的差異。這種差異可用來產生一個電流,其隨溫度線性上升。當通過電阻和晶體管驅動該電流時,如果其大小合適,晶體管的基極 - 發射極電壓隨溫度的變化會抵消電阻兩端的電壓變化。雖然這種抵消不是完全線性的,但可以通過附加電路進行補償,使溫度漂移非常低。


圖 1:設計帶隙電路提供理論上為零的溫度系數
基本帶隙基準電壓源背后的數學原理很有意思,因為它將已知溫度系數與獨特的電阻率相結合,產生理論上溫度漂移為零的基準電壓。圖 1 顯示了兩個晶體管,經調整后,Q10 的發射極面積為 Q11 的 10 倍,而 Q12 和 Q13 的集電極電流保持相等。這就在兩個晶體管的基極之間產生一個已知電壓:


其中,k 為玻爾茲曼常數,單位為 J/K(1.38×10-23),T 為開氏溫度(273+T(°C));q 為電子電荷,單位為庫侖(1.6x10-19)。在 25°C 時,kT/q 的值為 25.7mV,正溫度系數為 86μV/°C。?VBE 為此電壓乘以 ln(10)或 2.3,25°C 時電壓約為 60mV,溫度系數為 0.2mV/°C。
將此電壓施加到基極之間連接的 50k 電阻,產生一個與溫度成比例的電流。該電流偏置二極管 Q14,25°C 時其電壓為 575mV,溫度系數為 -2.2mV/°C。電阻用于產生具有正溫度系數的壓降,其施加到 Q14 二極管電壓上,從而產生大約 1.235V 的基準電壓電位,理論上溫度系數為 0mV/°C。這些壓降如圖 1 所示。電路的平衡提供偏置電流和輸出驅動。
分數帶隙基準電壓源
這種基準電壓源基于雙極晶體管的溫度特性設計,但輸出電壓可以低至只有數 mV。它適用于超低電壓電路,特別是閾值必須小于常規帶隙電壓(約 1.2V)的比較器應用。
圖 2 所示為 LM10 的核心電路,同正常帶隙基準電壓源相似,其中結合了與溫度成正比和成反比的元件,以獲得恒定的 200mV 基準電壓。分數帶隙基準電壓源通常使用?VBE 產生一個與溫度成正比的電流,使用 VBE 產生一個與溫度成反比的電流。二者以適當的比例在一個電阻元件中合并,以產生不隨溫度變化的電壓。電阻大小可以更改,從而改變基準電壓而不影響溫度特性。這與傳統帶隙電路的不同之處在于,分數帶隙電路合并電流,而傳統電路傾向于合并電壓,通常是發射極、基極電壓和具有相反溫度漂移 (TC)的 I•R。


圖 2:200mV 基準電壓源電路
像 LM10 電路這樣的分數帶隙基準電壓源在某些情況下同樣是基于減法。某些器件具有微功率、低電壓 400mV 基準和放大器的串聯基準。因此,可以通過改變放大器的增益來改變基準電壓,并提供一個緩沖輸出。使用這種簡單電路可以產生低于電源電壓 0.4V 至幾毫伏的任何輸出電壓。


圖 3:支持與低至 400mV 的閾值進行比較
有些器件其將 400mV 基準電壓源與比較器相結合,是集成度更高的解決方案,可用作電壓監控器或窗口比較器。400mV 基準電壓源可以監控小輸入信號,從而降低監控電路的復雜性(圖 3);它還能監控采用非常低電源電壓工作的電路元件。如果閾值較大,可以添加一個簡單的電阻分壓器(圖 4)。這些產品均采用小尺寸封裝(SOT23),功耗很低(低于 10μA),支持寬電源范圍(1.4V 至 18V)。


圖 4:通過輸入電壓分壓來設置較高閾值
選擇基準電壓源
了解所有這些選項之后,如何為應用選擇恰當的基準電壓源呢?以下是一些用來縮小選擇范圍的竅門:
● 電源電壓非常高?選擇分流基準電壓源。
● 電源電壓或負載電流的變化范圍很大?選擇串聯基準電壓源。
● 需要高功效比?選擇串聯基準電壓源。
● 確定實際溫度范圍。溫度范圍包括 0°C 至 70°C、-40°C 至 85°C 和 -40°C 至 125°C。
● 精度要求應切合實際。了解應用所需的精度非常重要。這有助于確定關鍵規格。考慮到這一要求,將溫度漂移乘以指定溫度范圍,
上初始精度誤差、熱遲滯和預期產品壽命期間的長期漂移,再減去任何將在出廠時校準或定期重新校準的項,便得到總體精度。對于要求最苛刻的應用,還可以加上噪聲、電壓調整率和負載調整率誤差。例如:
一個基準電壓源的初始精度誤差為 0.1%(1000ppm),-40°C 至 85°C 范圍內的溫度漂移為 25ppm/°C,熱遲滯為 200ppm,峰峰值噪聲為 2ppm,時間漂移為 50ppm/√kHr。
那么在電路建成時總不確定性將超過 4300ppm。
在電路通電后的前 1000 小時,這種不確定性增加 50ppm。初始精度可以校準,從而將誤差降低至 3300ppm+50ppm•√(t/1000 小時)。
● 實際功率范圍是什么?最大預期電源電壓是多少?是否存在基準電壓源 IC 必須承受的故障情況,例如電池電源切斷或熱插拔感應電源尖峰等?這可能會顯著減少可選擇的基準電壓源數量。
● 基準電壓源的功耗可能是多少?基準電壓源往往分為幾類:
大于 1mA,~500μA,<300μA,<50μA,<10μA,<1μA。
● 負載電流有多大?負載是否會消耗大量電流或產生基準電壓源必須吸收的電流?很多基準電壓源只能為負載提供很小電流,很少基準電壓源能夠吸收大量電流。負載調整率規格可以有效說明這個問題。
● 安裝空間有多少?基準電壓源的封裝多種多樣,包括金屬帽殼、塑料封(DIP、SOIC、SOT)和非常小的封裝,例如采用 2mmx2mm DFN 的產品。人們普遍認為,較大封裝的基準電壓源因機械應力引起的誤差要小于較小封裝的基準電壓源。雖然確有某些基準電壓源在使用較大封裝時性能更好,但有證據表明,性能差異與封裝大小沒有直接關系。更有可能的是,由于采用較小封裝的產品使用的芯片較小,所以必須對性能進行某種取舍以適應芯片上的電路。通常,封裝的安裝方法對性能的影響比實際封裝還要大,密切注意安裝方法和位置可以最大限度地提高性能。此外,當 PCB 彎曲時,占位面積較小的器件相比占位面積較大的器件,應力可能更小。
烜芯微專業制造二極管,三極管,MOS管,橋堆等20年,工廠直銷省20%,4000家電路電器生產企業選用,專業的工程師幫您穩定好每一批產品,如果您有遇到什么需要幫助解決的,可以點擊右邊的工程師,或者點擊銷售經理給您精準的報價以及產品介紹
烜芯微專業制造二極管,三極管,MOS管,橋堆等20年,工廠直銷省20%,4000家電路電器生產企業選用,專業的工程師幫您穩定好每一批產品,如果您有遇到什么需要幫助解決的,可以點擊右邊的工程師,或者點擊銷售經理給您精準的報價以及產品介紹

