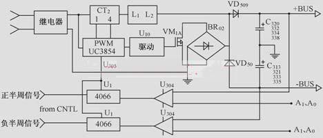
下面是 [功率因數校正電路]的電路圖,功率因數校正電路如圖6所示,輸入交流電經CT2,電感L1、L2,整流橋BR02、VM1A、U305、U10組成升壓斬波電路,在電容C320、C332、C334、C338及C313、C321、C333、C335上產生±370V的BUS電壓作為逆變器輸入,經逆變器的轉換,產生正弦交流輸出。與此同時,UC3854將檢測市電電流和市電電壓,對功率元件進行控制,使輸入電流的波形與電壓波形相近,相位相同,以提高輸入功率因數,避免對電  
功率因數校正電路
如圖6所示,輸入交流電經CT2,電感L1、L2,整流橋BR02、VM1A、U305、U10組成升壓斬波電路,在電容C320、C332、C334、C338及C313、C321、C333、C335上產生±370V的BUS電壓作為逆變器輸入,經逆變器的轉換,產生正弦交流輸出。與此同時,UC3854將檢測市電電流和市電電壓,對功率元件進行控制,使輸入電流的波形與電壓波形相近,相位相同,以提高輸入功率因數,避免對電網產生諧波干擾。穩定的DC BUS有助于穩定交流輸出電壓,因此要特別注意DC BUS電壓的穩定和準確。本機由CNTL直接根據輸入交流電壓的高低和當前±BUS電壓高低進行控制,不需人工調整DC BUS電壓。


圖6  功率因數校正電路
烜芯微專業制造二極管,三極管,MOS管,橋堆等,20年,工廠直銷省20%,1500家電路電器生產企業選用,專業的工程師幫您穩定好每一批產品,如果您有遇到什么需要幫助解決的,可以直接聯系上方的聯系號碼或加QQ,由我們的銷售經理給您精準的報價以及產品介紹
			 
                                
