MOS管在平時的電源電路和驅動電路的設計中使用非常廣泛,只有深入了解其工作原理和規格書參數才能保證設計的穩定可靠。
1. MOS管導通過程分析
MOS管和三極管的特性曲線分別如圖1和圖2所示,它們各自區間的命名有所不同,其中MOS管的飽和區也稱為恒流區、放大區。其中一個主要的不同點在于MOS管有個可變電阻區,而三極管則是飽和區,沒有可變電阻區的說法。從圖中也能明顯看出,MOS管在可變電阻區內,Vgs一定時,Id和Vds近似為線性關系,不同Vgs值對應不同的曲線斜率,即漏極D和源極S之間的電阻值Rds受控于Vgs;而三極管在飽和區內,不同Ib值的曲線都重合在一起,即曲線斜率相同,阻值相同。


圖1


圖2
MOS管導通過程中的各電壓電流曲線如圖3所示,其中Vgs曲線有著名(臭名昭著)的米勒平臺,即Vgs在某段時間(t3-t2)內保持不變。


圖3
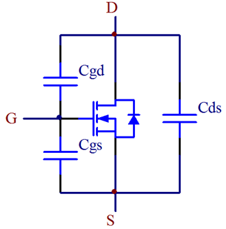
我們知道MOS管是壓控器件,不同于三極管是流控器件,但是實際上MOS管在從關斷到導通的過程也是需要電流(電荷)的,原因是因為MOS管各極之間存在寄生電容Cgd,Cgs和Cds,如圖4所示。MOS管導通條件是Vgs電壓至少達到閾值電壓Vgs(th),其通過柵極電荷對Cgs電容充電實現,當MOS管完全導通后就不需要提供電流了,即壓控的意思。這三個寄生電容參數值在MOS管的規格書中一般是以Ciss,Coss和Crss形式給出,其對應關系為:Cgd=Crss;Cds=Coss-Crss;Cgs=Ciss-Crss。


圖4
在MOS管的規格書上一般還有如圖5所示的柵極充電曲線,其可以很好地解釋為何Vgs電壓會有米勒平臺。Vgs一開始隨著柵極電荷的增加而增加,但是當Vgs增加到米勒平臺電壓大小Vp時,即使柵極電荷繼續增加,Vgs也保持不變,因為增加的柵極電荷被用來給Cgd電容進行充電。因此,MOS管會有對應的Qgs,Qgd和Qg電荷參數,如圖6所示。在MOS管截止時,漏極電壓對Cgd充電,Cgd的電壓極性是上正下負;當MOS管進入米勒平臺后,大部分的柵極電荷用來對Cgd進行充電,但是極性與漏極充電相反,即下正上負,因此也可理解為對Cgd反向放電,最終使得Vgd電壓由負變正,結束米勒平臺進入可變電阻區。米勒平臺時間內,Vds開始下降,米勒平臺的持續時間即為Vds電壓從最大值下降到最小值的時間。由此可見米勒平臺時間與電容Cgd大小成正比,在通信設備行業中-48V電源的緩啟動電路經常在MOS管柵漏極間并聯一個較大的電容,以延長米勒平臺時間來達到電壓緩啟動的目的。


圖5


圖6
米勒平臺電壓的大小可以近似地通過以下公式進行估算,Id=gfs(Vp-Vgs(th)),通過規格書可以得到閾值電壓Vgs(th)和跨導gfs,根據電路參數可以得到漏極電流Id,因此,可以近似推算出米勒平臺電壓Vp。但是需要注意的是跨導gfs并不是一個常數,規格書中給出的數值都是基于一定的Vds和Id條件下得到的。此外,還有另外一種估算方法Id=K(Vp-Vgs(th))2,根據規格書中的參數計算出常數K,然后計算得到Vp,有興趣的可以查閱參考文獻2。
了解了MOS管的米勒平臺后,我們可以分析一下圖3所示導通過程中MOS管電壓電流的變化曲線。以常見的MOS管開關電路為例,在t0~t1時間段內,Vgs小于閾值電壓Vgs(th)時,MOS管處于截止區關斷,漏極電流Id=0,漏源極電壓差Vds為輸入電壓Vin。
在t1~t2時間段內,隨著Vgs從閾值電壓Vgs(th)逐漸增大至米勒平臺電壓Vp,電流Id從0開始逐漸增大至最大值,MOS管開始導通,并進入恒流區(飽和區)。此時Vds仍舊維持不變,但是實際電路中可能會由于各種雜散寄生電感等因素的影響,也會產生一部分壓降損失,導致實際的Vds會略微下降。同三極管類似,MOS管在飽和區內具有相似的放大特性,其公式為:Id=gfs*Vgs,gfs為MOS管的跨導,可從規格書中得到。
在t2~t3時間段內,當Id逐漸增大至最大值(由電路參數決定)時,MOS管開始進入米勒平臺,由于電流Id已經達到最大值保持不變,所以Vgs=Id/gfs亦保持不變,即從公式角度也可以解釋米勒平臺。在t2~t3時間段內,Vds開始以一定斜率下降。但是實際下降的斜率在整個時間段內并非一直保持不變。因為MOS管的Cgd電容在這個過程中是變化的,一開始Cgd較小,之后變大,所以實際的VDS曲線斜率會稍有變化,即一開始Cgd電容小,電壓下降較快,之后Cgd電容較大,電壓下降較慢,Cgd電容值的變化曲線如圖7所示。


圖7
在t3之后,MOS管進入可變電阻區,米勒平臺結束,Vgs電壓在柵極電荷的驅動下繼續升高至最大值,Vds則電壓下降至最低值Rds(on)*Id。圖3 MOS管導通曲線的簡化版如圖8所示,分析問題時圖8已經足夠使用。MOS管關斷時的分析過程相反,其變化曲線如圖9所示。


圖8


圖9
t1和t2的時間可以根據RC充放電原理進行近似計算,t1=Rg*Ciss*ln(Vgs/(Vgs-Vgs(th))),t2= Rg*Ciss*ln(Vgs/(Vgs-Vp)),其中Vgs為柵極驅動電壓大小,Rg為柵極驅動電阻。t2值近似于規格書中的參數延時導通時間td(on)。米勒平臺的持續時間tp可以通過以下公式近似計算:由于該時間段內Vp保持不變,因此柵極驅動電流大小Ig=(Vgs-Vp)/Rg,tp=Qgd/Ig。tp=t3-t2,近似于規格書中的參數上升時間tr。
2. MOS管損耗分析
MOS管損耗主要有開關損耗(開通損耗和關斷損耗,關注參數Cgd(Crss))、柵極驅動損耗(關注參數Qg)和導通損耗(關注參數Rds(on))等。
以如圖10所示的同步BUCK拓撲為例進行說明,由于高側的開關管Q1和低側的同步管Q2組成一個半橋結構,為了防止兩個MOS管同時導通而使輸入回路短路,因此兩個MOS管的驅動信號會存在一個死區時間,即兩個MOS管都關斷。在死區時間內,由于電感的電流不能突變,因此同步管Q2的寄生體二極管將率先導通進行續流。正是由于體二極管導通后,同步管Q2才被驅動導通,在忽略二極管壓降的情況下,同步管Q2導通時兩端電壓為0,可以看作是0電壓導通;同步管Q2導通后,其兩端電壓為0直至關斷,因此也是0電壓關斷。因此,同步管Q2基本沒有開關損耗,這意味著對于同步管的選取,功耗主要取決于與導通電阻RDS(on)相關的導通損耗,而開關損耗可以忽略不計,因此不必考慮柵極電荷Qg。而高側的開關管Q1由于開通和關閉時都不是0電壓,因此要基于導通損耗和開關損耗綜合來考慮。


圖10
所謂開關損耗是指MOS管在開通和關斷過程中,電壓和電流不為0,存在功率損耗。由前述MOS管導通過程可知,開關損耗主要集中在t1~t3時間段內。而米勒平臺時間和MOS管寄生電容Crss成正比,其在MOS管的開關損耗中所占比例最大,因此米勒電容Crss及所對應的Qgd在MOS管的開關損耗中起主導作用。因此對于MOS管的選型,不僅需要考慮柵極電荷Qg和柵極電阻Rg,也需要同時考慮Crss(Cgd)的大小,其同時也會在規格書的上升時間tr和下降時間tf參數上有間接反映,MOS管的關鍵參數如圖11所示。


圖11
MOS管的各種損耗可以通過以下公式近似估算:
導通損耗:
Q1管:P(HO) = D × (IO 2 × RDS(ON) × 1.3);
Q2管:P(LO) = (1 - D) × (IO 2 × RDS(ON) × 1.3);
系數1.3主要是考慮MOS管的導通電阻會隨著溫度的升高而增加。
柵極驅動損耗:
PGC = n ×VCC × Qg × fSW;
n表示MOS管的個數(MOS管選型相同時),fSW表示開關頻率;柵極驅動損耗主要是發生在電源控制芯片上,而非MOS管上,但是其大小與MOS管的參數有關。
開關損耗:
PSW = 0.5× Vin × Io × (tr + tf) × fSW;
系數0.5是因為將MOS管導通曲線看成是近似線性,折算成面積功率,系數就是0.5;Vin是輸入電壓,Io是輸出電流;tr和tf是MOS管的上升時間和下降時間,分別指的是漏源電壓從90%下降到10%和漏源電壓從10%上升到90%的時間,可以近似看作米勒平臺的持續時間,即圖3中的(t3-t2)。另外,規格書中的td(on)和td(off)可以近似看作是Vgs電壓從0開始上升到米勒平臺電壓的時間,即圖3中的t2。
烜芯微專業制造二極管,三極管,MOS管,橋堆等20年,工廠直銷省20%,4000家電路電器生產企業選用,專業的工程師幫您穩定好每一批產品,如果您有遇到什么需要幫助解決的,可以點擊右邊的工程師,或者點擊銷售經理給您精準的報價以及產品介紹
			烜芯微專業制造二極管,三極管,MOS管,橋堆等20年,工廠直銷省20%,4000家電路電器生產企業選用,專業的工程師幫您穩定好每一批產品,如果您有遇到什么需要幫助解決的,可以點擊右邊的工程師,或者點擊銷售經理給您精準的報價以及產品介紹
                                
