晶體三極管中有兩種不同的極性電荷的載流子參與導電,故稱之為雙極型晶體管(BJT)。它是一種電流控制電流的半導體器件,具有電流放大作用,其主要作用是把微弱輸入信號放大成幅值較大的電信號,是很多常用電子電路的核心元件。
三極管的原理圖符號主要有兩種,如圖1所示。


圖1
Q1為NPN管,Q2為PNP管,E極箭頭方向代表發射結正向偏置時電流的實際方向,它們對應的基本結構如圖2所示。


圖2
由三個相鄰互不相同的雜質半導體疊加起來,就形成了三極管的基本結構。從三個雜質半導體區域各引出一個電極,我們分別將其稱之為發射極(Emitter)、集電極(Collector)、基極(Base);而對應的區域分別稱為發射區、集電區、基區;相鄰的兩個不同類型的雜質半導體將形成PN結,我們把發射區與基區之間的PN結稱之為發射結,而把基區與集電區之間的PN結稱之為集電結。


三極管的實物圖
三極管在實際應用中可能有三種工作狀態:
截止:發射結反偏,集電結反偏。
放大: 發射結正偏,集電結反偏。
飽和: 發射結正偏,集電結正偏。
下面我們以NPN三極管為例詳細講解三極管放大狀態的工作原理。
三極管放大狀態原理
話說天下大勢,分久必合,合久必分,在這片由三塊半導體組成的小區域內,也上演了一部猛獸爭霸史,故事就發生在圖3所示的這片區域。


圖3
在沒有任何處理的NPN三極管施加了兩個電壓之后,如圖4所示。


圖4
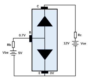
要使NPN管處于放大狀態,施加在CE結兩端的電壓Vce比施加在BE結的電壓Vbe要大。因此,NPN管三個極的電位大小分別是:VC>VB>VE,(發射極電位Ve為參考電位0V),這樣一來,三極管的發射結是正向偏置,而集電結是反向偏置,這就是三極管處于放大狀態的基本條件。
在電壓連接的一瞬間,假設基-射(發射結)偏置電壓Vbe=5V,而集-射極偏置電壓Vce=12V,兩個N型半導體與P型半導體形成了兩個PN結,BE結(發射結)正向電壓偏置而導通將基極電位限制在0.7V(硅管),而集電極電位由于PN結反向偏置截止而為12V(瞬間電位,此時集電極電流還沒有),如圖5所示。


圖5
好,一切已經就緒,一場戰爭馬上就要開始了!
當發射結外加正向電壓Vbe(正向偏置)時,由于發射區的摻雜濃度很高(三個區中最高),而基區的摻雜濃度最低,發射區的多數載流子電子將源源不斷地穿過發射結擴散到基區(因濃度差而引起載流子由高濃度區域向低濃度區域的轉移,稱為擴散),形成發射結電子擴散電流Ien(該電流方向與電子運動方向相反)。
與此同時,基區的多數載流子空穴也擴散至發射區,形成空穴擴散電流Iep(該電流方向與Ien相同),很明顯,Iep相對于Ien而言很小,然而,革命的力量是不分大小的!Ien與Iep兩者相加發射極電流Ie,如圖6所示。


圖6
從發射區擴散到基區的多數載流子電子在發射結附近濃度最高,離發射結越遠濃度越低,從而形成了一定的電子濃度差,這種濃度差使得擴散到基區的電子繼續向集電結方向擴散。在電子擴散的過程中,有一小部分電子與基區的多數載流子空穴復合,從而形成基區電流Ibn。我們知道,基區很薄且摻雜濃度低,因此,電子與空穴復合機會少,基區電流Ibn也很小,大多數電子都將被擴散到集電結,如圖7所示。


圖7
由于集電結是反向偏置電壓,空間電荷區的內電場被進一步加強(PN結變寬),這樣反而對基區擴散到集電結邊境的載流子電子有很強的吸引力(電子帶負電,同性相斥異性相吸),使它們很快漂移過集電結(電場的吸引或排斥作用引起的載流子移動叫做漂移),從而形成集電極電流Icn(方向與電子漂移方向相反)。很明顯,Icn=Ien-Ibn,因為百萬大軍一小部分在基區,剩下的大部分在集電區,如圖8所示。


圖8
在多數載流子電子進入到集電區后,集電區(N型)的少數載流子空穴與基區(P型)的少數載流子電子也會產生漂移運動,形成了電流Icbo,而另有一些會跨過基區到達發射區從而形成Iceo,如圖9所示。


圖9
Icbo表示集電極-基極反向飽和電流,Iceo表示集電極-發射極反向飽和電流(也統稱為穿透電流),它們不受發射結電壓Vbe控制,也不對電流的放大做出貢獻,只取決于溫度和少數載流子的濃度,當然是越小越好。在相同條件下,硅管的穿透電流比鍺管小,在某些大功率應用場合,還必須外接穿透電流釋放電阻,防止穿透電流引起三極管過熱而損壞。
在三極管的放大狀態下,只要控制外加發射結電壓Vbe,基極電流IB也會隨之變化,繼而控制發射區的多數載流電子數量,最終也將控制集電極的電流IC。從三極管放大的原理上可以看出,所謂的“放大”并不是將基極電流IB放大,只不過是用較小的基極電流IB值來控制較大的集電極電流IC值,從外部電路來看就好像是IB被放大一樣,這與“四兩拔千斤”也是一個道理。
小結
如果上面的過程顯得太麻煩的話,總結就三句話:
1)發射結加正向電壓,擴散運動形成發射極電流Ie。
2)擴散基區的自由電子與空穴的復合運動系形成了基極電流Ib。
3)集電結加反向電壓,漂移運動形成集電極電流Ic。
直流放大特性
就像銘記二極管的單向導電特性一樣,只要談起三極管就要想到“電流放大”。
結論是:三極管是一個具有電流放大功能的器件,三極管b極上的小電流可以控制c極的大電流。


圖10
為了讓這個枯燥的概念形象些, 我們用一幅畫來比喻三極管的電流放大作用,見圖10。
把三極管比作一個水箱, 其排水管由閥門控制,只要微調閥門就能控制排水管的流量。水箱好像三極管的c極,閥門就好像b極,而排水管相當于e極。當三極管b極獲得如圖所示的微小偏置電壓后(+0.7V) ,就好像閥門被打開一樣, 水得以從水箱向下快速流出一電流從c 極流向e極。且三極管b極偏置電壓消失,就好像閥門關上了一樣,c極到e極也就沒有電流了。
烜芯微專業制造二極管,三極管,MOS管,橋堆等20年,工廠直銷省20%,4000家電路電器生產企業選用,專業的工程師幫您穩定好每一批產品,如果您有遇到什么需要幫助解決的,可以點擊右邊的工程師,或者點擊銷售經理給您精準的報價以及產品介紹
			烜芯微專業制造二極管,三極管,MOS管,橋堆等20年,工廠直銷省20%,4000家電路電器生產企業選用,專業的工程師幫您穩定好每一批產品,如果您有遇到什么需要幫助解決的,可以點擊右邊的工程師,或者點擊銷售經理給您精準的報價以及產品介紹
 
                                
