mos管結構圖
本文解析mos管結構圖。我們先來看看MOS管是什么,mos管是金屬(metal)、氧化物(oxide)、半導體(semiconductor)場效應晶體管,或者稱是金屬—絕緣體(insulator)、半導體。MOS管的source和drain是可以對調的,他們都是在P型backgate中形成的N型區。在多數情況下,這個兩個區是一樣的,即使兩端對調也不會影響器件的性能。這樣的器件被認為是對稱的。

MOS管分為:增強型(又有N溝道、P溝道之分)及耗盡型(分有N溝道、P溝道)。N溝道增強型MOSFET的結構示意圖和符號見上圖。
電極 D(Drain) 稱為漏極,相當雙極型三極管的集電極;
電極 G(Gate) 稱為柵極,相當于的基極;
電極 S(Source)稱為源極,相當于發射極。
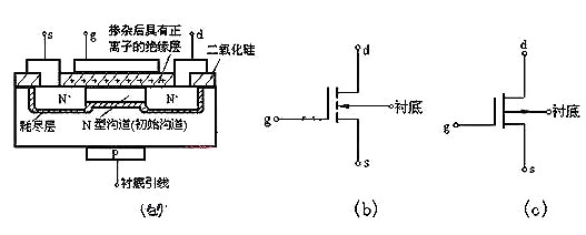
mos管結構圖-N溝道增強型MOS管結構
N溝道增強型MOS管結構圖,在一塊摻雜濃度較低的P型硅襯底上,制作兩個高摻雜濃度的N+區,并用金屬鋁引出兩個電極,分別作漏極d和源極s。然后在半導體表面覆蓋一層很薄的二氧化硅(SiO2)絕緣層,在漏——源極間的絕緣層上再裝上一個鋁電極,作為柵極g。襯底上也引出一個電極B,這就構成了一個N溝道增強型MOS管。MOS管的源極和襯底通常是接在一起的(大多數管子在出廠前已連接好)。它的柵極與其它電極間是絕緣的。
圖(a)、(b)分別是它的結構示意圖和代表符號。代表符號中的箭頭方向表示由P(襯底)指向N(溝道)。P溝道增強型MOS管的箭頭方向與上述相反,如圖(c)所示。

N溝道增強型MOS場效應管的工作原理
(1)vGS對iD及溝道的控制作用
① vGS=0 的情況
從圖1(a)可以看出,增強型MOS管的漏極d和源極s之間有兩個背靠背的PN結。當柵——源電壓vGS=0時,即使加上漏——源電壓vDS,而且不論vDS的極性如何,總有一個PN結處于反偏狀態,漏——源極間沒有導電溝道,所以這時漏極電流iD≈0。
② vGS>0 的情況
若vGS>0,則柵極和襯底之間的SiO2絕緣層中便產生一個電場。電場方向垂直于半導體表面的由柵極指向襯底的電場。這個電場能排斥空穴而吸引電子。
排斥空穴:使柵極附近的P型襯底中的空穴被排斥,剩下不能移動的受主離子(負離子),形成耗盡層。吸引電子:將 P型襯底中的電子(少子)被吸引到襯底表面。
(2)導電溝道的形成:
當vGS數值較小,吸引電子的能力不強時,漏——源極之間仍無導電溝道出現,如圖1(b)所示。vGS增加時,吸引到P襯底表面層的電子就增多,當vGS達到某一數值時,這些電子在柵極附近的P襯底表面便形成一個N型薄層,且與兩個N+區相連通,在漏——源極間形成N型導電溝道,其導電類型與P襯底相反,故又稱為反型層,如圖1(c)所示。vGS越大,作用于半導體表面的電場就越強,吸引到P襯底表面的電子就越多,導電溝道越厚,溝道電阻越小。
開始形成溝道時的柵——源極電壓稱為開啟電壓,用VT表示。上面討論的N溝道MOS管在vGS<VT時,不能形成導電溝道,管子處于截止狀態。只有當vGS≥VT時,才有溝道形成。這種必須在vGS≥VT時才能形成導電溝道的MOS管稱為增強型MOS管。溝道形成以后,在漏——源極間加上正向電壓vDS,就有漏極電流產生。
vDS對iD的影響

如圖(a)所示,當vGS>VT且為一確定值時,漏——源電壓vDS對導電溝道及電流iD的影響與結型場效應管相似。
漏極電流iD沿溝道產生的電壓降使溝道內各點與柵極間的電壓不再相等,靠近源極一端的電壓最大,這里溝道最厚,而漏極一端電壓最小,其值為VGD=vGS-vDS,因而這里溝道最薄。但當vDS較小(vDS)。
隨著vDS的增大,靠近漏極的溝道越來越薄,當vDS增加到使VGD=vGS-vDS=VT(或vDS=vGS-VT)時,溝道在漏極一端出現預夾斷,如圖2(b)所示。再繼續增大vDS,夾斷點將向源極方向移動,如圖2(c)所示。由于vDS的增加部分幾乎全部降落在夾斷區,故iD幾乎不隨vDS增大而增加,管子進入飽和區,iD幾乎僅由vGS決定。
mos管結構圖-N溝道耗盡型MOS管基本結構
N溝道耗盡型MOS管結構圖如下:

(1)mos管結構圖:
N溝道耗盡型MOS管與N溝道增強型MOS管基本相似。
(2)區別:
耗盡型MOS管在vGS=0時,漏——源極間已有導電溝道產生,而增強型MOS管要在vGS≥VT時才出現導電溝道。
(3)原因:
制造N溝道耗盡型MOS管時,在SiO2絕緣層中摻入了大量的堿金屬正離子Na+或K+(制造P溝道耗盡型MOS管時摻入負離子),如圖1(a)所示,因此即使vGS=0時,在這些正離子產生的電場作用下,漏——源極間的P型襯底表面也能感應生成N溝道(稱為初始溝道),只要加上正向電壓vDS,就有電流iD。
如果加上正的vGS,柵極與N溝道間的電場將在溝道中吸引來更多的電子,溝道加寬,溝道電阻變小,iD增大。反之vGS為負時,溝道中感應的電子減少,溝道變窄,溝道電阻變大,iD減小。當vGS負向增加到某一數值時,導電溝道消失,iD趨于零,管子截止,故稱為耗盡型。溝道消失時的柵-源電壓稱為夾斷電壓,仍用VP表示。與N溝道結型場效應管相同,N溝道耗盡型MOS管的夾斷電壓VP也為負值,但是,前者只能在vGS<0的情況下工作。而后者在vGS=0,vGS>0。
P溝道耗盡型MOSFET
P溝道MOSFET的工作原理與N溝道MOSFET完全相同,只不過導電的載流子不同,供電電壓極性不同而已。這如同雙極型三極管有NPN型和PNP型一樣。
MOS管特性
mos管結構圖講完,來看看MOS管特性。上述MOS管的工作原理中可以看出,MOS管的柵極G和源極S之間是絕緣的,由于SiO2絕緣層的存在,在柵極G和源極S之間等效是一個電容存在,電壓VGS產生電場從而導致源極-漏極電流的產生。此時的柵極電壓VGS決定了漏極電流的大小,控制柵極電壓VGS的大小就可以控制漏極電流ID的大小。這就可以得出如下結論:
1) mos管是一個由改變電壓來控制電流的器件,所以是電壓器件。
2) mos管道輸入特性為容性特性,所以輸入阻抗極高。
mos管作用
1.可應用于放大。由于場效應管放大器的輸入阻抗很高,因此耦合電容可以容量較小,不必使用電解電容器。
2.很高的輸入阻抗非常適合作阻抗變換。常用于多級放大器的輸入級作阻抗變換。
3.可以用作可變電阻。
4.可以方便地用作恒流源。
5.可以用作電子開關。
6.在電路設計上的靈活性大。柵偏壓可正可負可零,三極管只能在正向偏置下工作,電子管只能在負偏壓下工作。另外輸入阻抗高,可以減輕信號源負載,易于跟前級匹配。
烜芯微專業制造二極管,三極管,MOS管,橋堆等20年,工廠直銷省20%,4000家電路電器生產企業選用,專業的工程師幫您穩定好每一批產品,如果您有遇到什么需要幫助解決的,可以點擊右邊的工程師,或者點擊銷售經理給您精準的報價以及產品介紹
烜芯微專業制造二極管,三極管,MOS管,橋堆等20年,工廠直銷省20%,4000家電路電器生產企業選用,專業的工程師幫您穩定好每一批產品,如果您有遇到什么需要幫助解決的,可以點擊右邊的工程師,或者點擊銷售經理給您精準的報價以及產品介紹

