目前,貼片二極管已經在大多數應用中取代了傳統的引線式產品。其中,SOD封裝是大部分貼片二極管的安裝形式。

SOD衍生了一系列二級管封裝形式
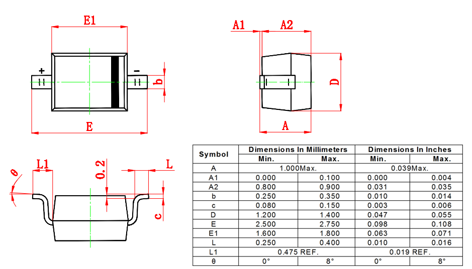
SOD是小外形二級管(Small Outline Diode)的英文縮寫,目前已經衍生了一系列標準封裝形式。這些二極管封裝用SOD后面的一串數字進行區分,例如SOD-23、SOD-523、SOD323等等。它們的封裝尺寸如下:
SOD-123塑料體尺寸:L2.70mm,W1.60mm,H1.10mm.
SOD-123(12FN)塑料體尺寸:L2.70mm,W1.60mm,H1.10mm。
SOD-323塑料體尺寸:L1.70mm,W1.30mm,H1.00mm。
SOD-523塑料體尺寸:L1.20mm,W0.80mm,H0.60mm。
SOD-723塑料體尺寸:L1.00mm,W0.60mm,H0.55mm。

SOD二級管的外形尺寸
SOD二級管一般采用卷盤包裝。其中,SOD-123封裝和SOD-323封裝單位卷盤裝載3000只二極管,SOD-523封裝和SOD-723封裝單位卷盤裝載8000只二極管。
烜芯微專業制造二極管,三極管,MOS管,橋堆等20年,工廠直銷省20%,1500家電路電器生產企業選用,專業的工程師幫您穩定好每一批產品,如果您有遇到什么需要幫助解決的,可以點擊右邊的工程師,或者點擊銷售經理給您精準的報價以及產品介紹
烜芯微專業制造二極管,三極管,MOS管,橋堆等20年,工廠直銷省20%,1500家電路電器生產企業選用,專業的工程師幫您穩定好每一批產品,如果您有遇到什么需要幫助解決的,可以點擊右邊的工程師,或者點擊銷售經理給您精準的報價以及產品介紹

