在不同電路中,快恢復二極管主要有三種作用:續流、整流、阻尼。與保險絲功能相近的是對電路元件起到保護作用的續流作用,但是兩者保護原理也不一樣:快恢復二極管是通過并聯分流方式保護元件,保險絲是通過自熔切斷電路來保護元件。下面我們詳細對比說明。
快恢復二極管的保護作用
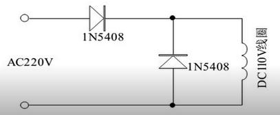
快恢復二極管在續流電路中一般用來保護元件不被感應電壓擊穿或燒壞,以并聯的方式接到產生感應電動勢的元件兩端,并與其形成回路,使其產生的高電動勢在回路以續電流方式消耗,從而起到保護電路中的元件不被損壞。它的保護原理是續流二極管都是并聯在線圈的兩端,線圈在通過電流時,會在其兩端產 生感應電動勢.當電流消失時,其感應電動勢會對電路中的元件產生反向電壓.當反向電壓高于元件的反向擊穿電壓時,會使元件如三極管、晶閘管等造成損壞.續流二極管并聯在線兩端,當流過線圈中的電流消失時,線圈產生的感應電動勢通過二極管和線圈構成的回路做功而消耗掉.從而保護了電路中的其它原件的安全.續流二極管在電路中反向并聯在繼電器或電感線圈的兩端,當電感線圈斷電時其兩端的電動勢并不立即消失,此時殘余電動勢通過一個二極管釋放。

圖:續流二極管的保護原理圖
注:上圖中的IN5408就是一個起到續流作用快恢復二極管。
保險絲的保護作用原理
保險絲的作用是保護電子/電力設備不受過電流/過熱的傷害,避免電子設備因內部故障所引起的嚴重傷害。保險絲的工作原理是當電流流過導體時,因導體存在一定的電阻,所以導體將會發熱。且發熱量遵循著這個公式:Q=0.24I2RT;其中Q是發熱量,0.24是一個常數,I是流過導體的電流,R是導體的電阻,T是電流流過導體的時間;依此公式我們不難看出保險絲的簡單的工作原理了。當制作保險絲的材料及其形狀確定了,其電阻R就相對確定了(若不考慮它的電阻溫度系數)。當電流流過它時,它就會發熱,隨著時間的增加其發熱量也在增加。電流與電阻的大小確定了產生熱量的速度,保險絲的構造與其安裝的狀況確定了熱量耗散的速度,若產生熱量的速度小于熱量耗散的速度時,保險絲是不會熔斷的。若產生熱量的速度等于熱量耗散的速度時,在相當長的時間內它也不會熔斷。若產生熱量的速度大于熱量耗散的速度時,那么產生的熱量就會越來越多。又因為它有一定比熱及質量,其熱量的增加就表現在溫度的升高上,當溫度升高到保險絲的熔點以上時保險絲就發生了熔斷。這就是保險絲的工作原理。

保險絲工作原理
烜芯微專業制造二極管,三極管,MOS管,橋堆20年,工廠直銷省20%,1500家電路電器生產企業選用,專業的工程師幫您穩定好每一批產品,如果您有遇到什么需要幫助解決的,可以點擊右邊的工程師,或者點擊銷售經理給您精準的報價以及產品介紹
烜芯微專業制造二極管,三極管,MOS管,橋堆20年,工廠直銷省20%,1500家電路電器生產企業選用,專業的工程師幫您穩定好每一批產品,如果您有遇到什么需要幫助解決的,可以點擊右邊的工程師,或者點擊銷售經理給您精準的報價以及產品介紹

