MOS管的英文全稱叫MOSFET(Metal Oxide Semiconductor Field Effect Transistor),即金屬氧化物半導體型場效應管,屬于場效應晶體管中的絕緣柵型。因此,MOS管有時被稱為場效應管。在一般電子電路中,MOS管通常被用于放大電路或開關電路。而在板卡上的電源穩壓電路中,MOSFET扮演的角色主要是判斷電位。
MOS管的作用是什么
MOS管對于整個供電系統而言起著穩壓的作用。目前板卡上所采用的MOS管并不是太多,一般有10個左右,主要原因是大部分MOS管被整合到IC芯片中去了。由于MOS管主要作用是為配件提供穩定的電壓,所以它一般使用在CPU、GPU 和插槽等附近。MOS管一般是以上下兩個組成一組的形式出現板卡上。
MOS管封裝形式
MOSFET芯片在制作完成之后,需要給MOSFET芯片加上一個外殼,即MOS管封裝。MOSFET芯片的外殼具有支撐、保護、冷卻的作用,同時還為芯片提供電氣連接和隔離,以便MOSFET器件與其它元件構成完整的電路。按照安裝在PCB 方式來區分,MOS管封裝主要有兩大類:插入式(Through Hole)和表面貼裝式(Surface Mount)。插入式就是MOSFET的管腳穿過PCB的安裝孔焊接在PCB 上。表面貼裝則是MOSFET的管腳及散熱法蘭焊接在PCB表面的焊盤上。
標準封裝規格TO封裝
TO(Transistor Out-line)的中文意思是“晶體管外形”。這是早期的封裝規格,例如TO-92,TO-92L,TO-220,TO-252等等都是插入式封裝設計。近年來表面貼裝市場需求量增大,TO封裝也進展到表面貼裝式封裝。
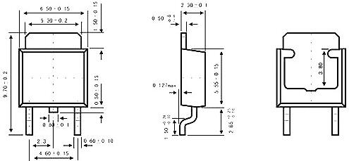
TO252和TO263就是表面貼裝封裝。其中TO-252又稱之為D-PAK,TO-263又稱之為D2PAK。
D-PAK封裝的MOSFET有3個電極,柵極(G)、漏極(D)、源極(S)。其中漏極(D)的引腳被剪斷不用,而是使用背面的散熱板作漏極(D),直接焊接在PCB上,一方面用于輸出大電流,一方面通過PCB散熱。所以PCB的D-PAK焊盤有三處,漏極(D)焊盤較大。
封裝TO-252引腳圖
芯片封裝流行的還是雙列直插封裝,簡稱DIP(Dual ln-line Package)。DIP封裝在當時具有適合PCB(印刷電路板)的穿孔安裝,具有比TO型封裝易于對PCB布線以及操作較為方便等一些特點,其封裝的結構形式也很多,包括多層陶瓷雙列直插式DIP,單層陶瓷雙列直插式DIP,引線框架式DIP等等。常用于功率晶體管、穩壓芯片的封裝。

SOT封裝
SOT(Small Out-Line Transistor)小外形晶體管封裝。這種封裝就是貼片型小功率晶體管封裝,比TO封裝體積小,一般用于小功率MOSFET。常見的規格如上。
主板上常用四端引腳的SOT-89 MOSFET。


SOP封裝
SOP(Small Out-Line Package)的中文意思是“小外形封裝”。SOP是表面貼裝型封裝之一,引腳從封裝兩側引出呈海鷗翼狀(L 字形)。材料有塑料和陶瓷兩種。SOP也叫SOL 和DFP。SOP封裝標準有SOP-8、SOP-16、SOP-20、SOP-28等等,SOP后面的數字表示引腳數。MOSFET的SOP封裝多數采用SOP-8規格,業界往往把“P”省略,叫SO(Small Out-Line )。

SO-8采用塑料封裝,沒有散熱底板,散熱不良,一般用于小功率MOSFET。
SO-8是PHILIP公司首先開發的,以后逐漸派生出TSOP(薄小外形封裝)、VSOP(甚小外形封裝)、SSOP(縮小型SOP)、TSSOP(薄的縮小型SOP)等標準規格。
這些派生的幾種封裝規格中,TSOP和TSSOP常用于MOSFET封裝。
QFN-56封裝

QFN(Quad Flat Non-leaded package)是表面貼裝型封裝之一,中文叫做四邊無引線扁平封裝,是一種焊盤尺寸小、體積小、以塑料作為密封材料的新興表面貼裝芯片封裝技術。現在多稱為LCC。QFN是日本電子機械工業會規定的名稱。封裝四邊配置有電極接點,由于無引線,貼裝占有面積比QFP小,高度比QFP低。這種封裝也稱為LCC、PCLC、P-LCC等。QFN本來用于集成電路的封裝,MOSFET不會采用的。Intel提出的整合驅動與MOSFET的DrMOS采用QFN-56封裝,56是指在芯片背面有56個連接Pin。
烜芯微專業制造二極管,三極管,MOS管,橋堆20年,工廠直銷省20%,1500家電路電器生產企業選用,專業的工程師幫您穩定好每一批產品,如果您有遇到什么需要幫助解決的,可以點擊右邊的工程師,或者點擊銷售經理給您精準的報價以及產品介紹
			烜芯微專業制造二極管,三極管,MOS管,橋堆20年,工廠直銷省20%,1500家電路電器生產企業選用,專業的工程師幫您穩定好每一批產品,如果您有遇到什么需要幫助解決的,可以點擊右邊的工程師,或者點擊銷售經理給您精準的報價以及產品介紹
 
                                
