MOS管保護電路圖及MOS管防反接保護電路安全措施詳解
功率MOS管自身擁有眾多優點,但是MOS管具有較脆弱的承受短時過載能力,特別是在高頻的應用場合,所以在應用功率MOS管對必須為其設計合理的保護電路來提高器件的可靠性。
功率MOS管保護電路主要有以下幾個方面:
1)防止柵極 di/dt過高:
由于采用驅動芯片,其輸出阻抗較低,直接驅動功率管會引起驅動的功率管快速的開通和關斷,有可能造成功率管漏源極間的電壓震蕩,或者有可能造成功率管遭受過高的di/dt而引起誤導通。為避免上述現象的發生,通常在MOS驅動器的輸出與MOS管的柵極之間串聯一個電阻,電阻的大小一般選取幾十歐姆。
2)防止柵源極間過電壓:
由于柵極與源極的阻抗很高,漏極與源極間的電壓突變會通過極間電容耦合到柵極而產生相當高的柵源尖峰電壓,此電壓會使很薄的柵源氧化層擊穿,同時柵極很容易積累電荷也會使柵源氧化層擊穿,所以要在MOS管柵極并聯穩壓管以限制柵極電壓在穩壓管穩壓值以下,保護MOS管不被擊穿,MOS管柵極并聯電阻是為了釋放柵極電荷,不讓電荷積累。
3)防護漏源極之間過電壓 :
雖然漏源擊穿電壓VDS一般都很大,但如果漏源極不加保護電路,同樣有可能因為器件開關瞬間電流的突變而產生漏極尖峰電壓,進而損壞MOS管,功率管開關速度越快,產生的過電壓也就越高。為了防止器件損壞,通常采用齊納二極管鉗位和RC緩沖電路等保護措施。
當電流過大或者發生短路時,功率MOS管漏極與源極之間的電流會迅速增加并超過額定值,必須在過流極限值所規定的時間內關斷功率MOS管,否則器件將被燒壞,因此在主回路增加電流采樣保護電路,當電流到達一定值,通過保護電路關閉驅動電路來保護MOS管。圖1是MOS管的保護電路,由此可以清楚的看出保護電路的功能。

mos管防反接保護電路安全措施
1.通常情況下直流電源輸入防反接保護電路是運用二極管的單向導電性來完結防反接保護。如下圖1示:

這種接法簡略可靠,但當輸入大電流的情況下功耗影響是非常大的。以輸入電流額定值抵達2A,如選用Onsemi的快速恢復二極管  MUR3020PT,額定管壓降為0.7V,那么功耗至少也要抵達:Pd=2A×0.7V=1.4W,這樣功率低,發熱量大,要加散熱器。
2.其他還可以用二極管橋對輸入做整流,這樣電路就永久有正確的極性(圖2)。這些方案的缺點是,二極管上的壓降會消耗能量。輸入電流為2A時,圖1中的電路功耗為1.4W,圖2中電路的功耗為2.8W。
圖1 一只串聯二極管保護系統不受反向極性影響,二極管有0.7V的壓降

圖2 是一個橋式整流器,不論什么極性都可以正常作業,但是有兩個二極管導通,功耗是圖1的兩倍。
MOS管防反接,好處就是壓降小,小到幾乎可以忽略不計。現在的MOS管可以做到幾個毫歐的內阻,假設是6.5毫歐,通過的電流為1A(這個電流已經很大了),在他上面的壓降只有6.5毫伏。
由于MOS管越來越便宜,所以人們逐漸開始使用MOS管防電源反接了。
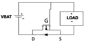
NMOS管防止電源反接電路:

正確連接時:剛上電,MOS管的寄生二極管導通,所以S的電位大概就是0.6V,而G極的電位,是VBAT,VBAT-0.6V大于UGS的閥值開啟電壓,MOS管的DS就會導通,由于內阻很小,所以就把寄生二極管短路了,壓降幾乎為0。
電源接反時:UGS=0,MOS管不會導通,和負載的回路就是斷的,從而保證電路安全。
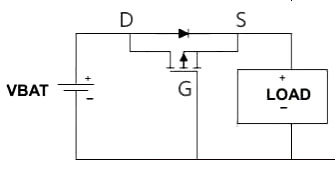
PMOS管防止電源反接電路:

正確連接時:剛上電,MOS管的寄生二極管導通,電源與負載形成回路,所以S極電位就是VBAT-0.6V,而G極電位是0V,PMOS管導通,從D流向S的電流把二極管短路。
電源接反時:G極是高電平,PMOS管不導通。保護電路安全。
連接技巧
NMOS管DS串到負極,PMOS管DS串到正極,讓寄生二極管方向朝向正確連接的電流方向。
感覺DS流向是“反”的?
仔細的朋友會發現,防反接電路中,DS的電流流向,和我們平時使用的電流方向是反的。
為什么要接成反的?
利用寄生二極管的導通作用,在剛上電時,使得UGS滿足閥值要求。
烜芯微專業制造二極管,三極管,MOS管,20年,工廠直銷省20%,1500家電路電器生產企業選用,專業的工程師幫您穩定好每一批產品,如果您有遇到什么需要幫助解決的,可以點擊右邊的工程師,或者點擊銷售經理給您精準的報價以及產品介紹
			烜芯微專業制造二極管,三極管,MOS管,20年,工廠直銷省20%,1500家電路電器生產企業選用,專業的工程師幫您穩定好每一批產品,如果您有遇到什么需要幫助解決的,可以點擊右邊的工程師,或者點擊銷售經理給您精準的報價以及產品介紹
 
                                
