MOS管的引腳,G、S、D分別代表什么
G:gate 柵極S:source 源極D:drain 漏極
MOS管是金屬(Metal)—氧化物(Oxid)—半導體(Semiconductor)場效應晶體管。市面上常有的一般為N溝道和P溝道。N溝道的電源一般接在D,輸出S,P溝道的電源一般接在S,輸出D


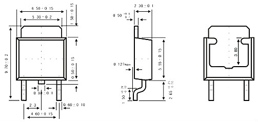
封裝TO-252引腳圖
芯片封裝流行的還是雙列直插封裝,簡稱DIP(Dual ln-line Package)。DIP封裝在當時具有適合PCB(印刷電路板)的穿孔安裝,具有比TO型封裝易于對PCB布線以及操作較為方便等一些特點,其封裝的結構形式也很多,包括多層陶瓷雙列直插式DIP,單層陶瓷雙列直插式DIP,引線框架式DIP等等。常用于功率晶體管、穩(wěn)壓芯片的封裝。

烜芯微專業(yè)制造二三極管,MOS管,20年,工廠直銷省20%,1500家電路電器生產企業(yè)選用,專業(yè)的工程師幫您穩(wěn)定好每一批產品,如果您有遇到什么需要幫助解決的,可以點擊右邊的工程師,或者點擊銷售經理給您精準的報價以及產品介紹
			
烜芯微專業(yè)制造二三極管,MOS管,20年,工廠直銷省20%,1500家電路電器生產企業(yè)選用,專業(yè)的工程師幫您穩(wěn)定好每一批產品,如果您有遇到什么需要幫助解決的,可以點擊右邊的工程師,或者點擊銷售經理給您精準的報價以及產品介紹
 
                                
