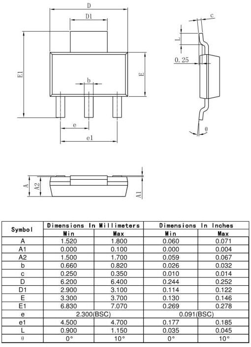
SOT-223封裝尺寸及實物圖




SOT-223封裝的三端穩壓管型號表
烜芯微科技SOT-223封裝的三端穩壓管型號表
SOT-223封裝 三端穩壓管封裝流程圖
|
Part Number |
Maximum Ratings |
Vout(V) |
Package
|
|||
|
VIN(V) |
IOUT(mA) |
Min |
Typ |
Max |
||
|
1117-ADJ |
12 |
1000 |
|
-1.25 |
|
SOT223 |
|
1117-1.8 |
12 |
1000 |
1.764 |
1.8 |
1.836 |
SOT223 |
|
1117-2.5 |
12 |
1000 |
2.45 |
2.5 |
2.55 |
SOT223 |
|
1117-3.3 |
12 |
1000 |
3.234 |
3.3 |
3.366 |
SOT223 |
|
1117-5.0 |
12 |
1000 |
4.9 |
5 |
5.1 |
SOT223 |
SOT-223封裝 三端穩壓管封裝流程圖

三端穩壓管的引腳識別與好壞判斷方法

三端穩壓管的引腳識別與好壞判斷方法
(1)引腳識別
三端穩壓器的封裝有金屬封裝和塑料封裝兩種,外形如同一只大功率晶體管,引腳的排列如圖9-30所示。不同系列的穩壓器,其各腳的作用不同。其中最常用的W78××系列穩壓器,為輸入端(I),為輸出端(O),為公共端(COM);W79××系列則是為公共端,為輸出端,為輸入端;常用的可調三端穩壓器LM317T,外形如W78××,其為可調端,為輸入端,為輸出端。端輸出電壓值由端電壓變化調節。


(2)性能鑒別
對78××和79××系列三端穩壓器,鑒別其好壞可使用萬用表 R × 100擋,分別檢測其輸入端與輸出端的正、反向電阻值。正常時,阻值相差在數千歐以上;若阻值相差很小或近似為零,說明其已損壞。表9-14、表9-15為最常用的78××和79××21種三端穩壓器的實測各引腳非在路電阻值,供檢測時參考。
表9-14 78××三端穩壓器各引腳非在路電阻值(kΩ )


表9-15 79××三端穩壓器各引腳非在路電阻值(kΩ )


三端穩壓管使用注意事項
(1)分清3個引出腳
三端集成穩壓器的輸入、輸出和接地端裝錯時很容易損壞,需特別注意。在安裝時一定要焊接良好,否則會導致輸出電壓的波動,易損壞輸出端上的其他電路,也可能損壞集成穩壓器本身。在拆裝集成穩壓器時要先斷開電源。輸出電壓大于6V的三端集成穩壓器的輸入、輸出端最好接一保護二極管,可防止輸入電壓突然降低時,輸出電容對輸出端放電引起三端集成穩壓器的損壞。
(2)正確選擇輸入電壓范圍
三端集成穩壓器內部的二極管、三極管均有一定的耐壓值,因此整流器輸出電壓的最大值不能大于集成穩壓器的最大允許輸入電壓值。7805(7905)~7818(7918)的最大輸入電壓為35V,7824(7924)的最大輸入電壓為 40V。由于三端集成穩壓器有一個使用最小壓差(約為2V)的限制,一般應使其保持在6V左右。
(3)保證散熱良好
對于用三端集成穩壓器組成的大功率穩壓電源,應在三端集成穩壓器上安裝足夠大的散熱器。當散熱器的面積不夠大,而內部調整管的結溫達到保護動作點附近時,集成穩壓器的穩壓性能將變差。
(4)并聯運用
如果需要較大的穩壓電流輸出,而單只集成穩壓器的輸出電流又不夠時,可采用同型號穩壓器并聯輸出的方法。這時的最大輸出電流為nIomax。式中n 為并聯穩壓器的個數,Iomax為單個穩壓器的最大輸出電流。穩壓器并聯運行時需注意兩點:一是并聯使用的集成穩壓電路應采用同一廠家、同一型號(包括后綴)的產品,以保證集成穩壓器參數的一致性;二是最好在輸出總電流上留有20%的余量,這樣可以避免因個別集成穩壓器失效而造成其他集成穩壓器的連鎖燒毀。
烜芯微專業制造二三極管,MOS管,20年,工廠直銷省20%,1500家電路電器生產企業選用,專業的工程師幫您穩定好每一批產品,如果您有遇到什么需要幫助解決的,可以點擊右邊的工程師,或者點擊銷售經理給您精準的報價以及產品介紹
烜芯微專業制造二三極管,MOS管,20年,工廠直銷省20%,1500家電路電器生產企業選用,專業的工程師幫您穩定好每一批產品,如果您有遇到什么需要幫助解決的,可以點擊右邊的工程師,或者點擊銷售經理給您精準的報價以及產品介紹

